EasyManua.ls Logo

Omicron CIBANO 500 PTM - Auxiliary Module Scheme

Omicron CIBANO 500 PTM
334 pages
To Next Page IconTo Next Page
To Next Page IconTo Next Page
To Previous Page IconTo Previous Page
To Previous Page IconTo Previous Page
Loading...
CIBANO 500 PTM User Manual
24 OMICRON
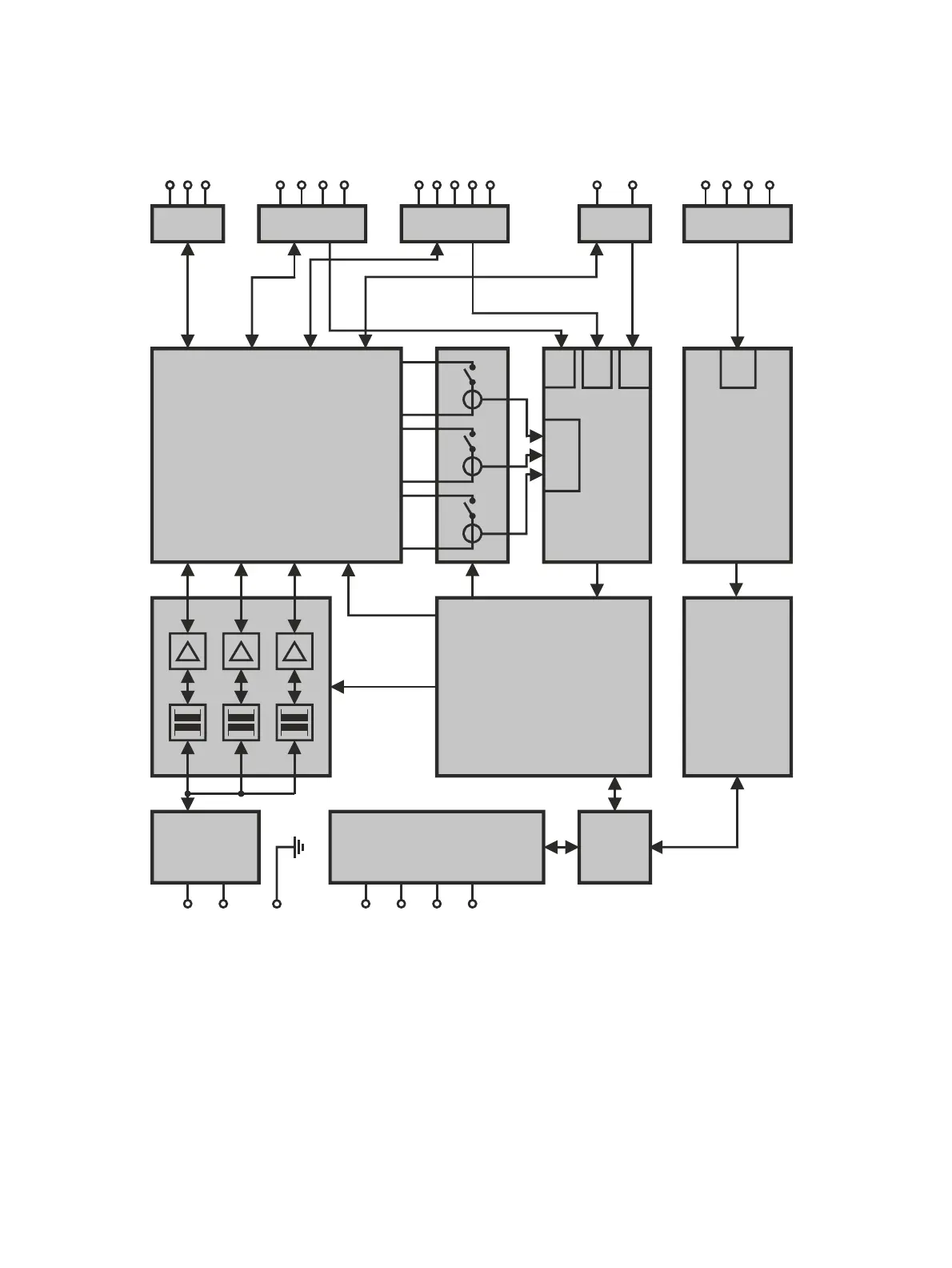
Figure 4-2: CIBANO 500 with the Auxiliary module
E1
EN
PE
A1
A2
A3
AN
B1
B2
B3
B4
V1
VN
BN
L
N
PE
I1
I2
I3
I4
External
booster
I/O A I/O B
Voltage
input
Switch matrix
Command switches and current
measurement
Analog-to-digital
converter
3 × I
4 × U
3 × U
1 × U
Control unit
II
I
III
Switch mode amplifiers
Power supply
Communication interfaces
Embedded
computer
C1
C2
C3
CN
Control unit
3 × U
Analog-to-digital
converter
Voltage
inputs

Table of Contents

Related product manuals