EasyManua.ls Logo

Topcon X35 - Page 264

Topcon X35
296 pages
Print Icon
To Next Page IconTo Next Page
To Next Page IconTo Next Page
To Previous Page IconTo Previous Page
To Previous Page IconTo Previous Page
Loading...
X35 Console
11.12
Harness Layouts
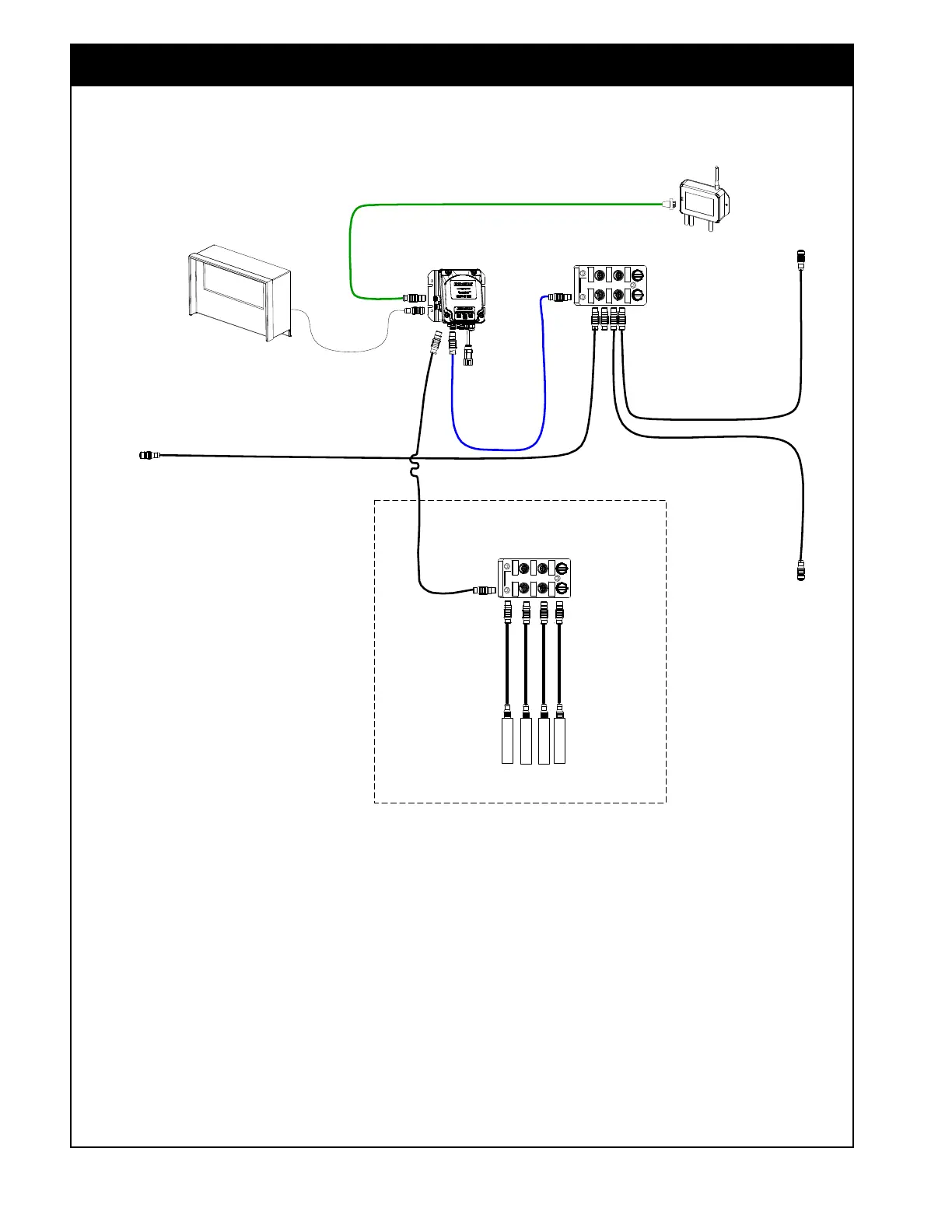
Figure 7.12 - LDG Air Seeder Tank - Weigh System Wiring Schematic
LDG Air Seeders
































Table of Contents

Other manuals for Topcon X35

Related product manuals