EasyManua.ls Logo

YASKAWA SGDH - Magnetic Contactor

YASKAWA SGDH
616 pages
To Next Page IconTo Next Page
To Next Page IconTo Next Page
To Previous Page IconTo Previous Page
To Previous Page IconTo Previous Page
Loading...
5 Specifications and Dimensional Drawings of Cables and Peripheral Devices
5.8.11 Magnetic Contactor
5-80
5.8.11 Magnetic Contactor
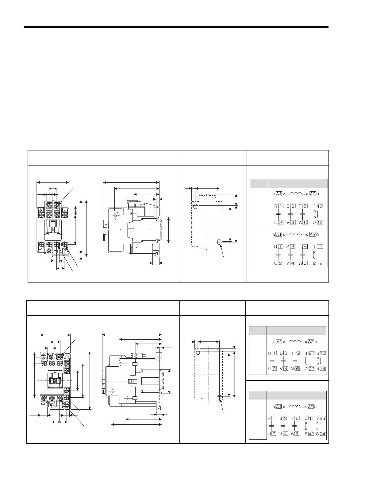
(1) Model: HI-J
The magnetic contactor is manufactured by Yaskawa Controls Co., Ltd.
A magnetic contactor is required to make the AC power supply to SERVOPACK ON/OFF sequence externally.
Be sure to attach a surge suppressor to the excitation coil of the magnetic contactor. Refer to 5.8.12 Surge Sup-
pressor for details of the surge suppressor.
For selecting a magnetic contactor, refer to 2.6.3 Noise Filters, Magnetic Contactors, Surge Suppressors and DC
Reactors.
(2) For Single-phase 100/200 V and Three-phase 200 V SERVOPACKs
(a) Model: HI-11J
(b) Model: HI-15J and HI-20J
Dimensions in mm (in) Mounting Hole
Dimensions in mm (in)
Terminal Symbols
Approx. mass: 0.25 kg (0.55 lb)
Dimensions in mm (in) Mounting Hole
Dimensions in mm (in)
Terminal Symbols
Approx. mass: 0.38 kg (0.84 lb)
9 (0.35)
35(1.38)
76 (2.99)
61 (2.40)
34.5 (1.36)
4.5 (0.18)
a
b
2U
1RST
44 (1.73)
10.1 (0.40)
13
(0.51)
8.2 (0.32)
41 (1.61)
74.5 (2.93)
78.5 (3.09)
8.2
(0.32)
10.4 (0.41)
4
(0.16)
M3.5 Auxiliary contact terminal
M3.5 Main contact terminal
M3.5 Coil
terminal
VW
2 × M4 Mounting
holes
43 (1.69)
5
(0.20)
52 (2.05)
48 (1.89)
15.5
(0.61)
1NO
1NC
Auxiliary
contact
Structure
91 (3.58)
35 (1.38)
65 (2.56)
4.5
(0.18)
76 (2.99)
54 (2.13)
9 (0.35)
39 (1.54)
RS
U
W
V
T
a
b
45.5 (1.79)
15.3 (0.60)
51 (2.01)
8.2
(0.32)
9.6 (0.38)
M3.5 Main
contact terminal
M3.5 Coil
terminal
M3.5 Auxiliary
contact terminal
11.3
(0.44)
10.8
(0.43)
9.6
(0.38)
85 (3.35)
50 (1.97)
29 (1.14)
8.2
(0.32)
5.2
(0.20)
35 (1.38)
5
(0.20)
75 (2.95)
70 (2.76)
2 × M4 Mounting
holes
1NO1NC
HI-15J
Auxiliary
contact
Structure
Auxiliary
contact
Structure
1NO1NC
HI-20J

Table of Contents

Related product manuals