EasyManua.ls Logo

Comau C3G Plus - Power Supply Distribution

Comau C3G Plus
266 pages
Print Icon
To Next Page IconTo Next Page
To Next Page IconTo Next Page
To Previous Page IconTo Previous Page
To Previous Page IconTo Previous Page
Loading...
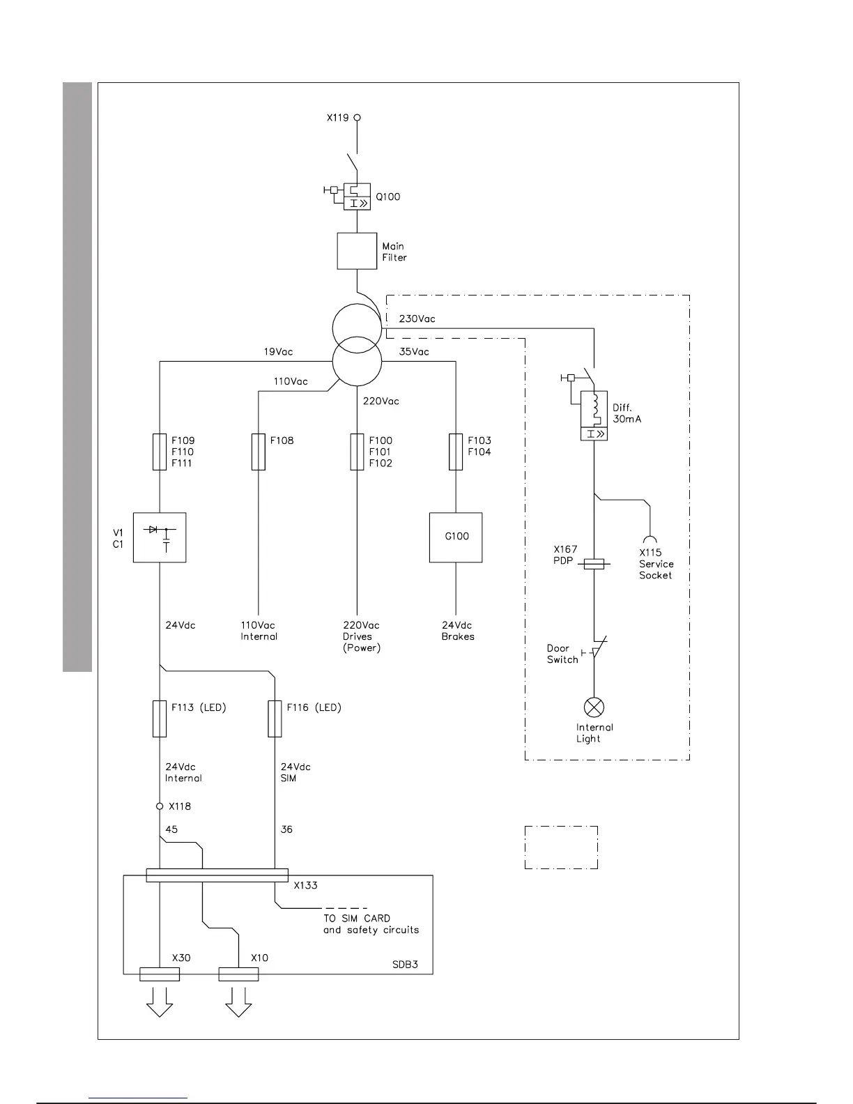
Power Supply Distribution (Page 1 of 2)
MAINTENANCE C3G Plus
7-6 04/0799
FUNCTIONAL LAYOUTS C3G Plus sdlp - sdmp - sdhp VERSIONS
Machine line Robot
Only for Rel. 1.x

Table of Contents