EasyManua.ls Logo

Comau C3G Plus - Internal;External Safety Device Layout

Comau C3G Plus
266 pages
Print Icon
To Next Page IconTo Next Page
To Next Page IconTo Next Page
To Previous Page IconTo Previous Page
To Previous Page IconTo Previous Page
Loading...
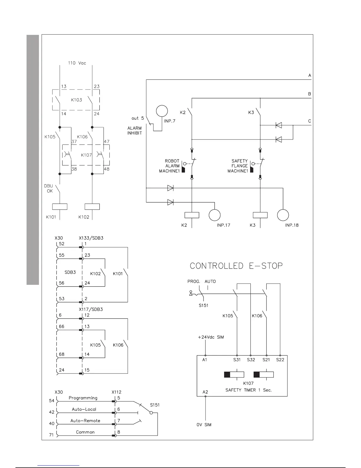
Internal/External Safety Device Layout (Page 1 of 2)
MAINTENANCE C3G Plus
7-10 08/0702
FUNCTIONAL LAYOUTS C3G Plus sdlp - sdmp - sdhp VERSIONS

Table of Contents