EasyManua.ls Logo

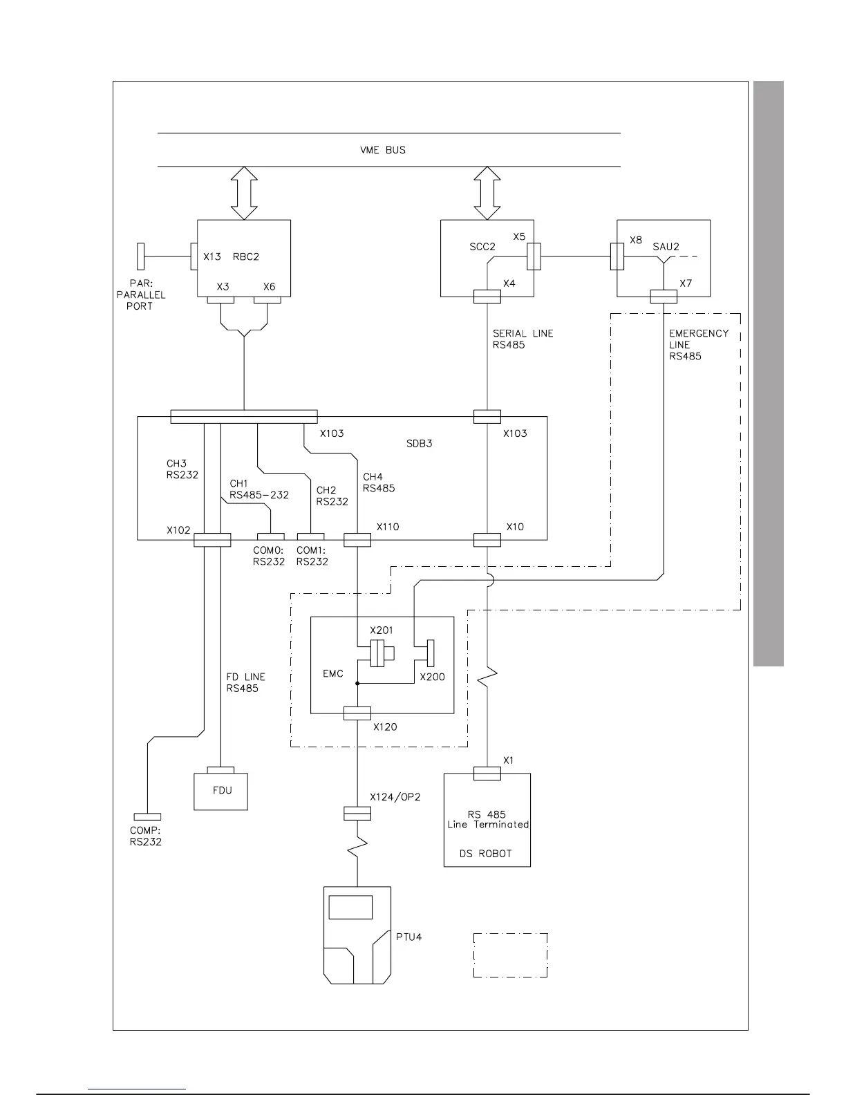
Comau C3G Plus - Serial and Parallel Line Connections

Comau C3G Plus
266 pages
Print Icon
To Next Page IconTo Next Page
To Next Page IconTo Next Page
To Previous Page IconTo Previous Page
To Previous Page IconTo Previous Page
Loading...
Serial and Parallel Line Connections
C3G Plus MAINTENANCE
04/0799 7-9
FUNCTIONAL LAYOUTS C3G Plus sdlp - sdmp - sdhp VERSIONS
Only for Rel. 1.x

Table of Contents