EasyManua.ls Logo

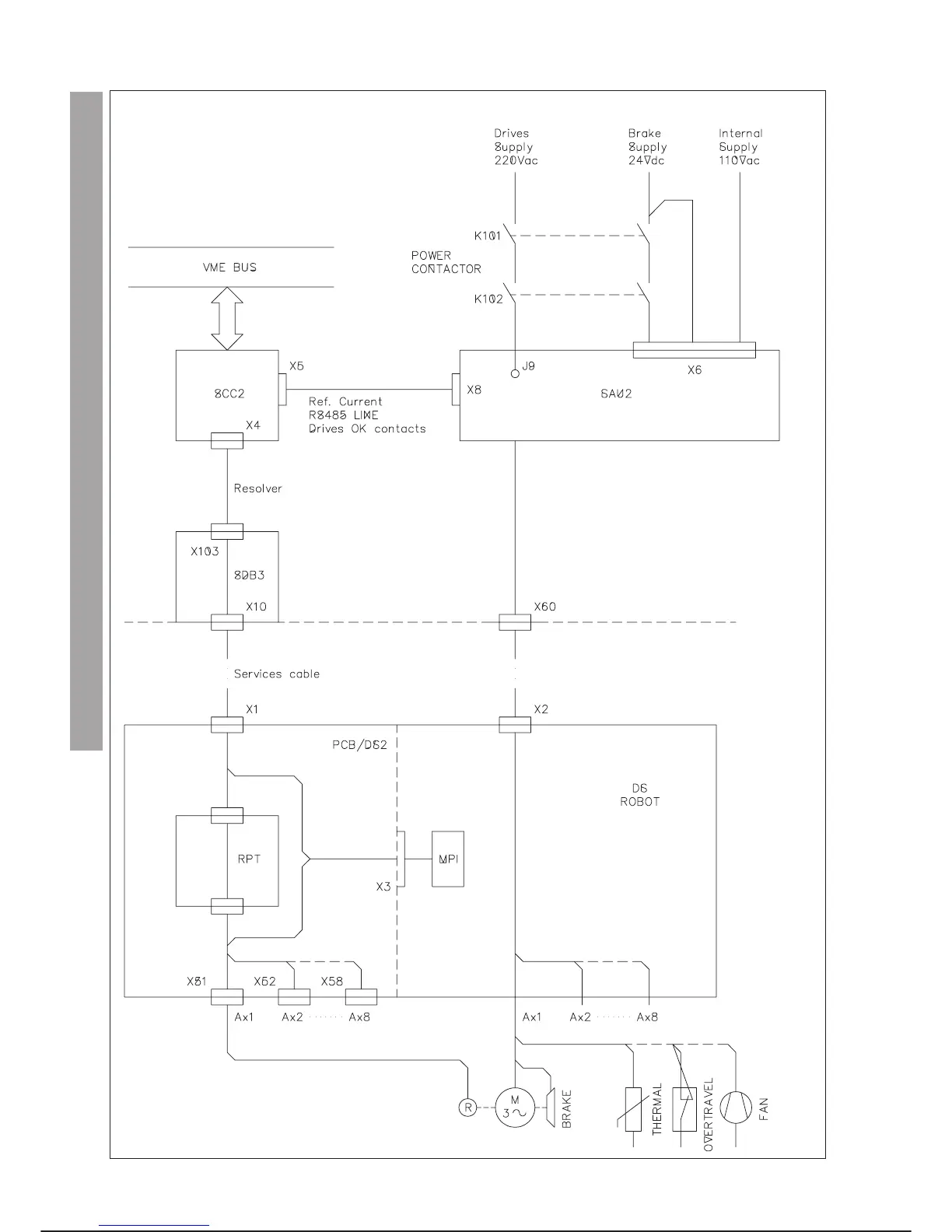
Comau C3G Plus - Axes Control Circuit

Comau C3G Plus
266 pages
Print Icon
To Next Page IconTo Next Page
To Next Page IconTo Next Page
To Previous Page IconTo Previous Page
To Previous Page IconTo Previous Page
Loading...
Axes Control Circuit
MAINTENANCE C3G Plus
7-8 00/1097
FUNCTIONAL LAYOUTS C3G Plus sdlp - sdmp - sdhp VERSIONS

Table of Contents