EasyManua.ls Logo

Comau C3G Plus - Sample Connection of C3 G-EMC2

Comau C3G Plus
266 pages
Print Icon
To Next Page IconTo Next Page
To Next Page IconTo Next Page
To Previous Page IconTo Previous Page
To Previous Page IconTo Previous Page
Loading...
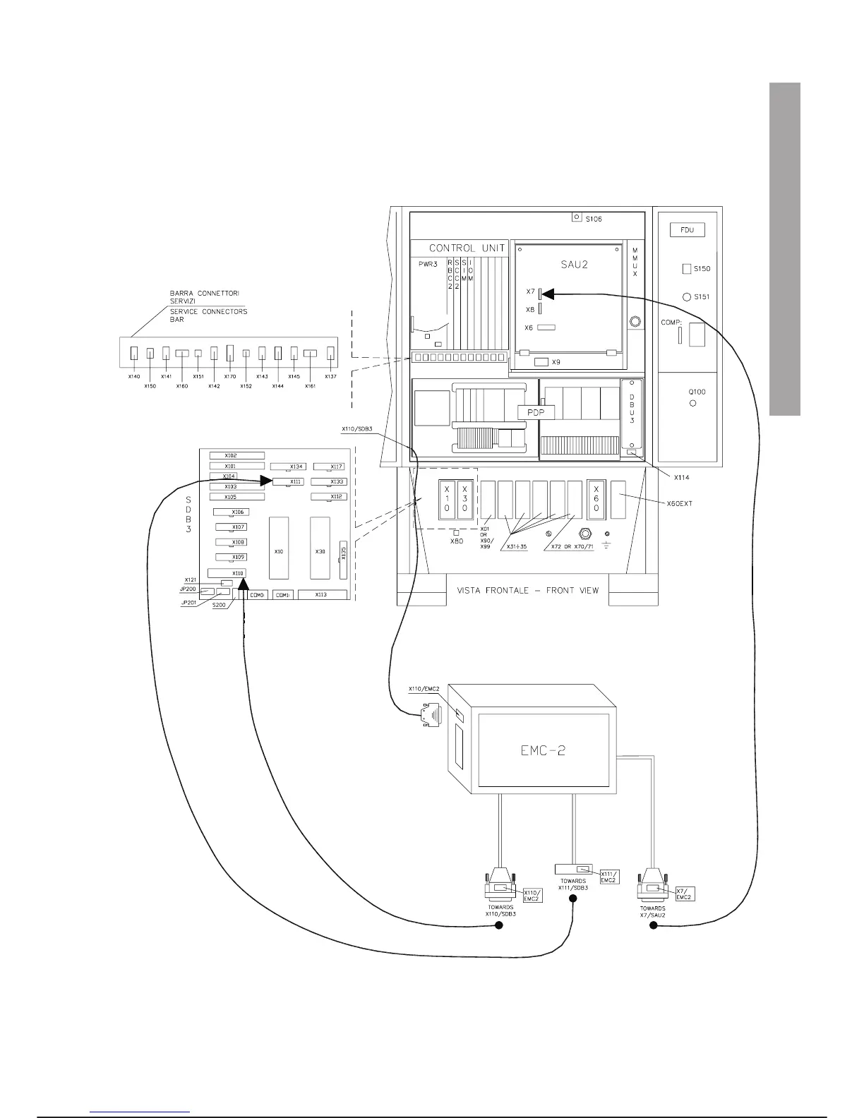
SAMPLE CONNECTION OF C3G-EMC2
C3G Plus OPERATOR INTERFACE
07/1200 3-13
EMERGENCY CONTROL (C3G-EMC2)

Table of Contents