EasyManua.ls Logo

Comau C3G Plus - Page 212

Comau C3G Plus
266 pages
Print Icon
To Next Page IconTo Next Page
To Next Page IconTo Next Page
To Previous Page IconTo Previous Page
To Previous Page IconTo Previous Page
Loading...
System Inputs/Outputs
MAINTENANCE C3G Plus
7-22 04/0799
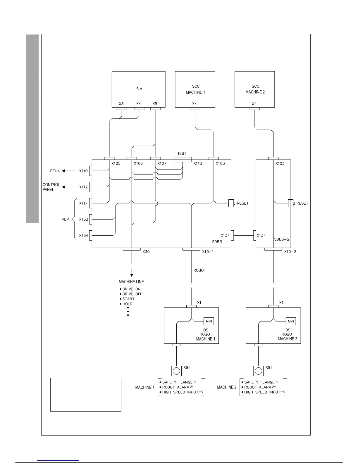
FUNCTIONAL LAYOUTS C3G Plus ddmp VERSIONS
(*) X200 for SMART H4
(**) X8 H4 Spot
(***) X9 H4 Handling

Table of Contents