EasyManua.ls Logo

Delta VFD-VE - 2.4 Control Terminals

Delta VFD-VE
315 pages
Print Icon
To Next Page IconTo Next Page
To Next Page IconTo Next Page
To Previous Page IconTo Previous Page
To Previous Page IconTo Previous Page
Loading...
Chapter 2 Installation and Wiring
2-12
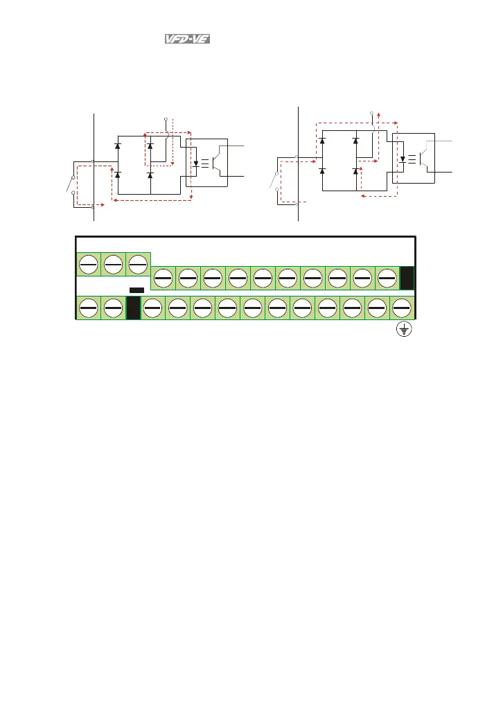
2.4 Control Terminals
Circuit diagram for digital inputs (SINK current 16mA.)
+24
SINK Mode
multi-input
terminal
Internal CircuitDCM
+24V
Multi-Input
Terminal
DCM
Internal Circuit
SOURCE Mode
+10V
MO1 MO2
MI3
MI4
MI5
MI6
DFM
+24V
DCM
ACM
AVI
ACI
AFM
MCM
RA
RB
RC
MRC
MRA
REV
MI2
FWD
MI1
AUI
The Position of the Control Terminals

Table of Contents

Related product manuals