EasyManua.ls Logo

Honda CRF110F - Clutch;Gearshift Linkage Component Location

Honda CRF110F
264 pages
Print Icon
To Next Page IconTo Next Page
To Next Page IconTo Next Page
To Previous Page IconTo Previous Page
To Previous Page IconTo Previous Page
Loading...
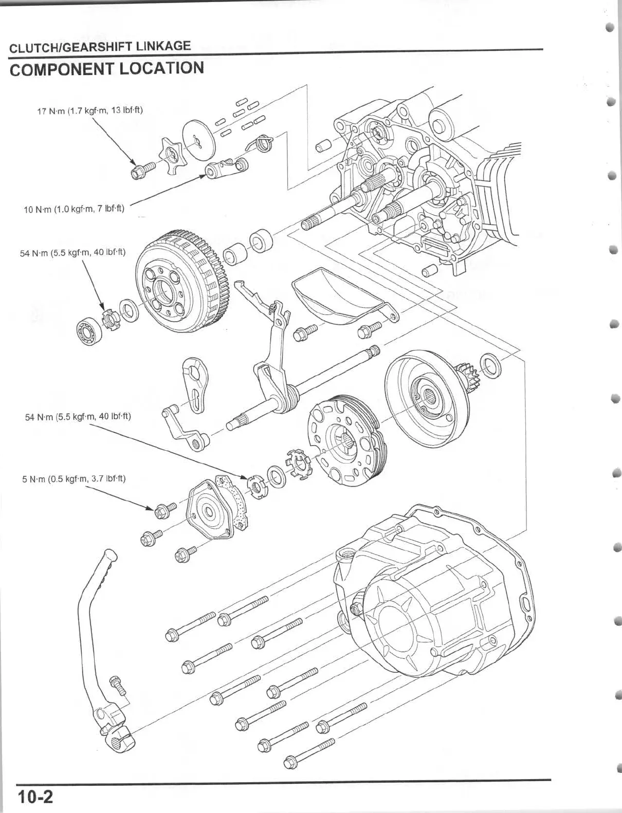
CLUTCH/GEARSHIFT LINKAGE
COMPONENT LOCATION
17
N'm (
1.
7
'n'
.
,"
131bHt)
10 N'm (1.0 kgf'm, 7Ibf·ft)
54
N'm (5.5 kgf-m,
40
Ibf-ft)
54
N'm (5.5 kgf-m, 40 IbHt)
5 N'm (0.5 kgf'm, 3.7 Ibf-ft)
~~
10-2

Table of Contents

Related product manuals