EasyManua.ls Logo

IBM i 830 - Page 807

IBM i 830
1000 pages
Print Icon
To Next Page IconTo Next Page
To Next Page IconTo Next Page
To Previous Page IconTo Previous Page
To Previous Page IconTo Previous Page
Loading...
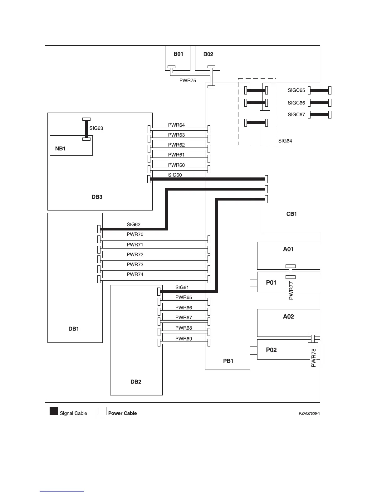
Figure 57. Model 840 and Model SB3 (FC 9079) Base I/O Tower Dual Line Cord Power and Signal Cables
Power and Signal Cables
Chapter 5. Locations, Addresses, and Part Listings 793

Table of Contents

Related product manuals