EasyManua.ls Logo

Mack ASET AC - APPENDIX

Default Icon
536 pages
Print Icon
To Next Page IconTo Next Page
To Next Page IconTo Next Page
To Previous Page IconTo Previous Page
To Previous Page IconTo Previous Page
Loading...
Page 494
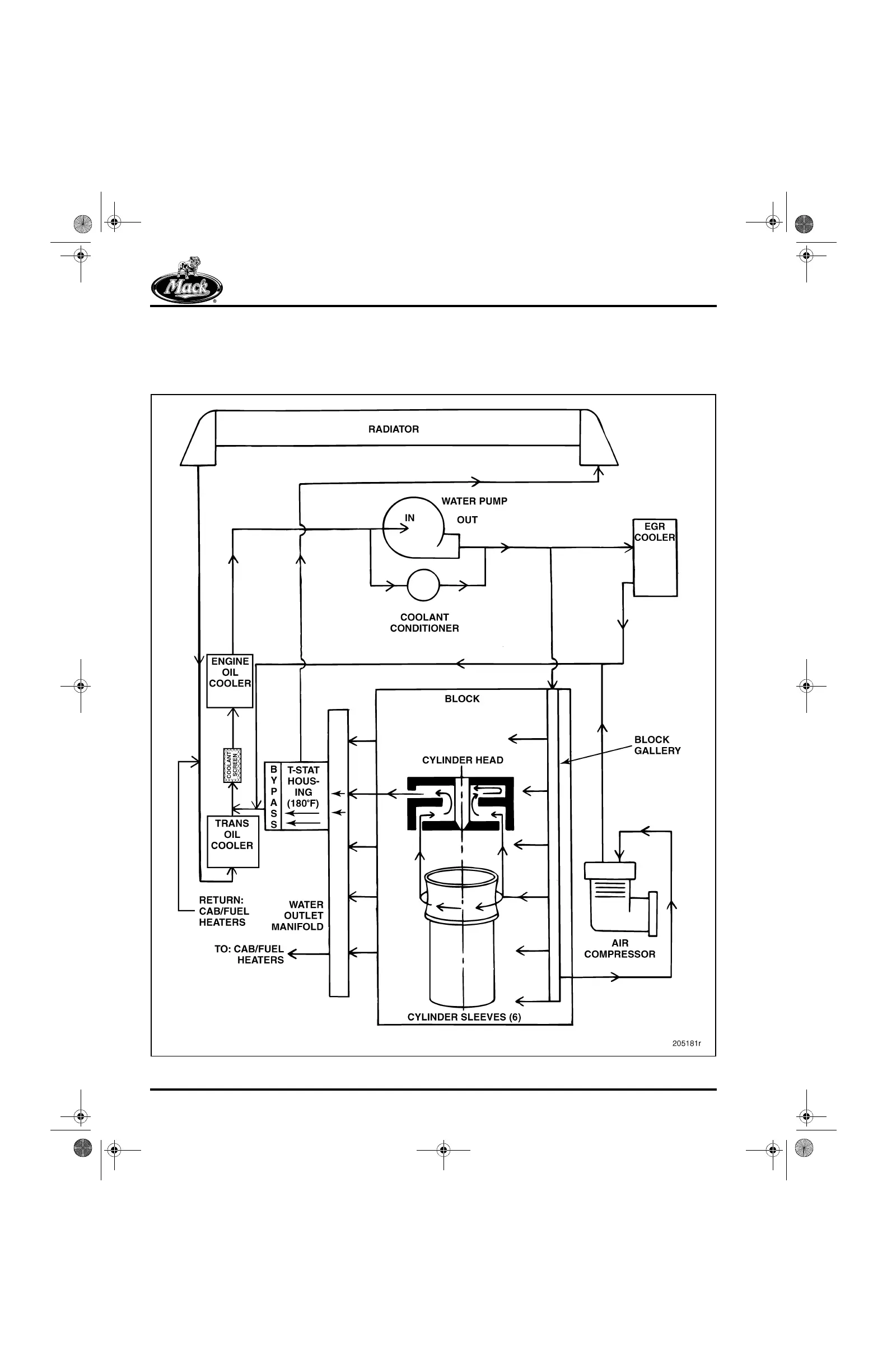
SCHEMATIC & ROUTING DIAGRAMS
ASET™ AC ENGINE SYSTEMS SCHEMATICS
Cooling System Flow Diagrams
579
Figure 579 — ASET™ AC Cooling System Flow Diagram
5-111.bk Page 494 Monday, July 10, 2006 2:26 PM

Table of Contents

Related product manuals