EasyManua.ls Logo

Mack ASET AC - Fastener Sizes and Types

Default Icon
536 pages
Print Icon
To Next Page IconTo Next Page
To Next Page IconTo Next Page
To Previous Page IconTo Previous Page
To Previous Page IconTo Previous Page
Loading...
Page 496
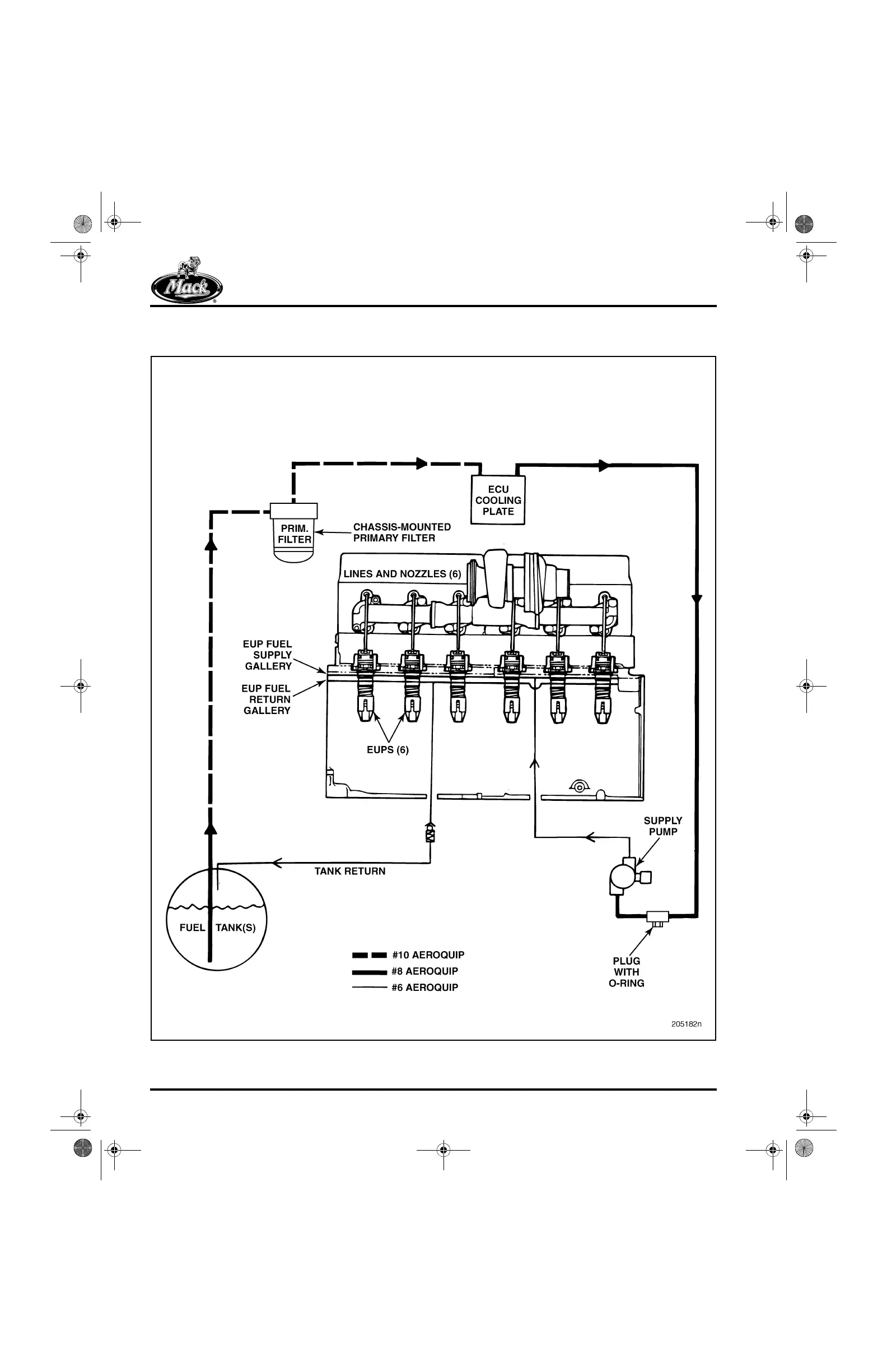
SCHEMATIC & ROUTING DIAGRAMS
Fuel System Flow Diagrams
581
Figure 581 — Fuel System Flow Diagram, ASET™ AC Engine Standard Fuel Filter Arrangement with Chassis-Mounted
Primary Filter (December 22, 2003 and Later Production)
5-111.bk Page 496 Monday, July 10, 2006 2:26 PM

Table of Contents

Related product manuals