EasyManua.ls Logo

Mariner 80 - Power Trim System Components

Default Icon
391 pages
Print Icon
To Next Page IconTo Next Page
To Next Page IconTo Next Page
To Previous Page IconTo Previous Page
To Previous Page IconTo Previous Page
Loading...
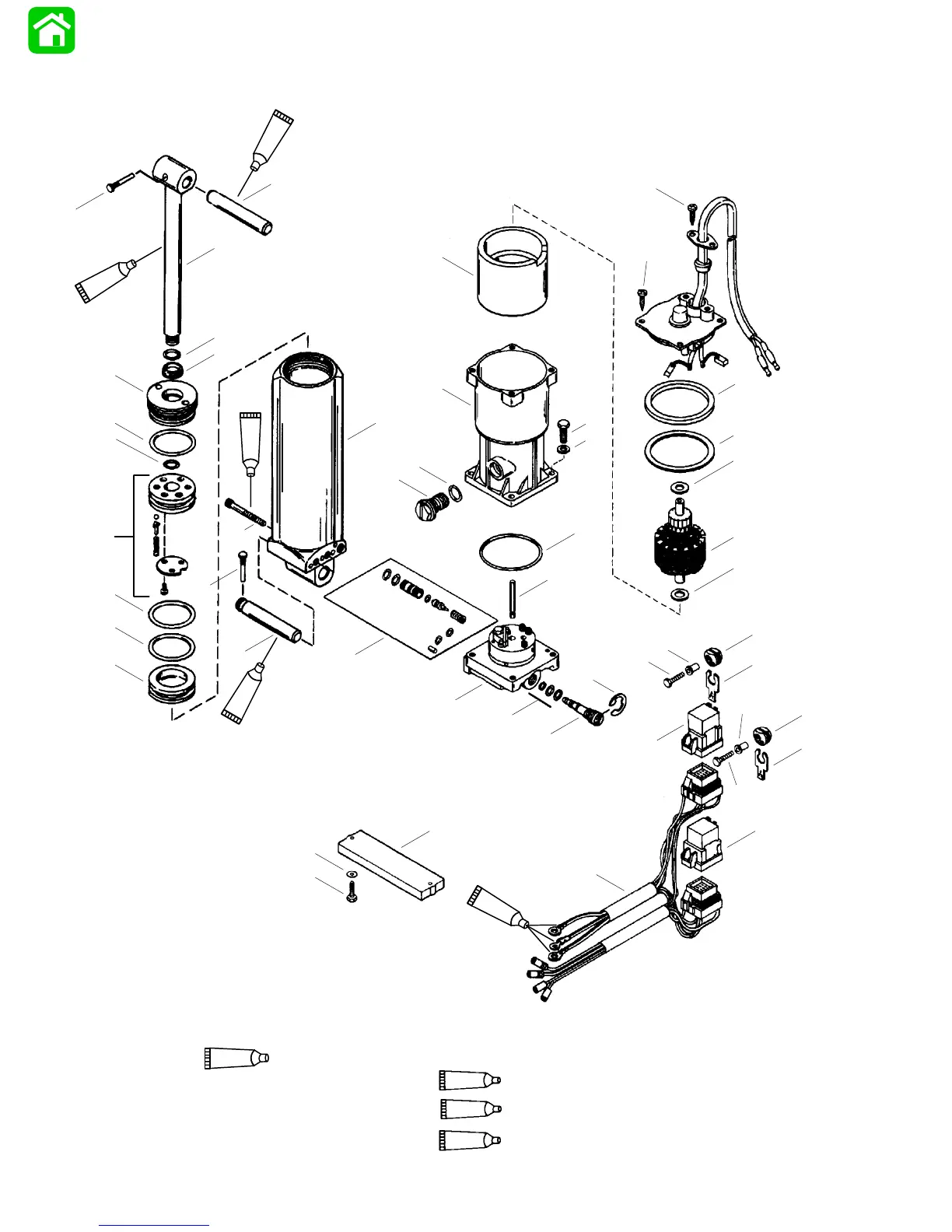
6C-4 90-13645--2 495POWER-TRIM
Power Trim System Components
1
2
3
4
5
6
7
8
9
10
11
12
13
14
15
16
17
18
19
20
21
22
23
24
25
26
27
28
29
30
31
32
33
34
35
36
37
38
39
40
41
42
43
44
NOTE:
Lubricate all
O-rings and seals with
38
37
33
27
36
35
Power Trim and Steering Fluid (92-90100A12)
Liquid Neoprene (92-25711--2)
110
Quicksilver Lubrication/Sealant
Application Points
110
110
110
7
25
7
Loctite 271 (Obtain Locally)
110
25

Table of Contents

Related product manuals