EasyManua.ls Logo

Siemens SINAMICS S120

Siemens SINAMICS S120
826 pages
To Next Page IconTo Next Page
To Next Page IconTo Next Page
To Previous Page IconTo Previous Page
To Previous Page IconTo Previous Page
Loading...
Motor Modules Booksize Compact
7.4 Connection example
Booksize Power Units
470 Manual, (GH2), 07/2016, 6SL3097-4AC00-0BP8
7.4
Connection example
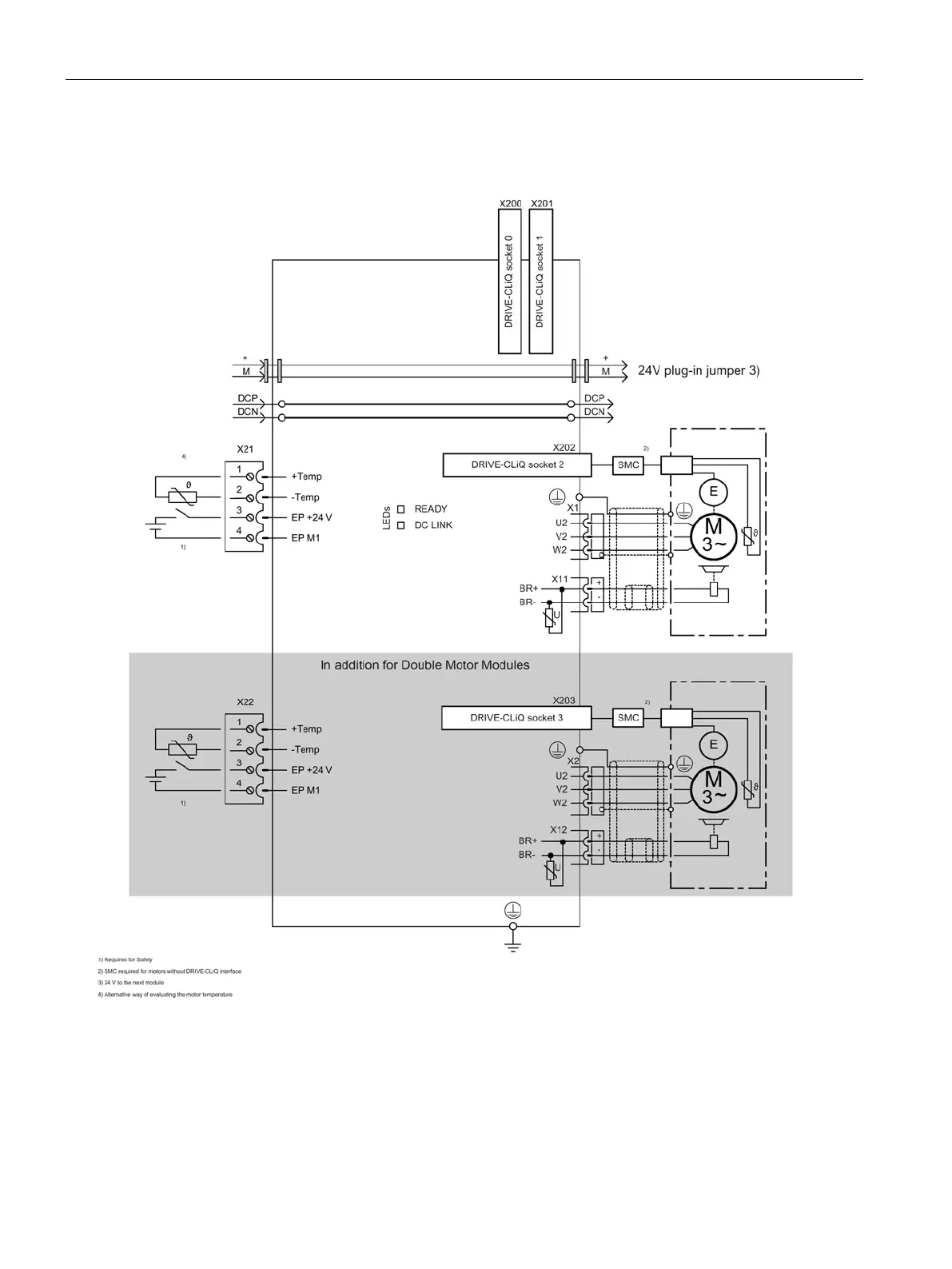
Figure 7-3 Connection example, Single Motor Modules Booksize Compact 3 A to 18 A and Double Motor Modules
Booksize Compact 2 x 1.7 A to 2 x 5 A

Table of Contents

Other manuals for Siemens SINAMICS S120

Related product manuals