EasyManua.ls Logo

Siemens SINAMICS S120

Siemens SINAMICS S120
826 pages
To Next Page IconTo Next Page
To Next Page IconTo Next Page
To Previous Page IconTo Previous Page
To Previous Page IconTo Previous Page
Loading...
Motor Modules Booksize
6.2 Motor Modules with internal air cooling
Booksize Power Units
Manual, (GH2), 07/2016, 6SL3097-4AC00-0BP8
359
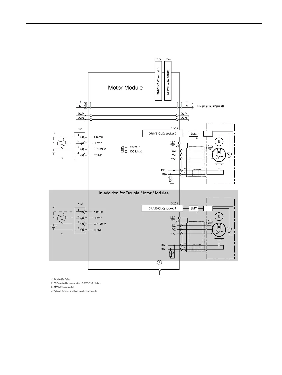
6.2.3
Connection examples
Figure 6-3 Connection example of Motor Modules 3 A to 30 A and Double Motor Modules 2 x 3 A to 2 x 18 A

Table of Contents

Other manuals for Siemens SINAMICS S120

Related product manuals