EasyManua.ls Logo

Siemens SINAMICS S120

Siemens SINAMICS S120
826 pages
To Next Page IconTo Next Page
To Next Page IconTo Next Page
To Previous Page IconTo Previous Page
To Previous Page IconTo Previous Page
Loading...
Line Modules Booksize
4.7 Basic Line Modules with internal air cooling
Booksize Power Units
230 Manual, (GH2), 07/2016, 6SL3097-4AC00-0BP8
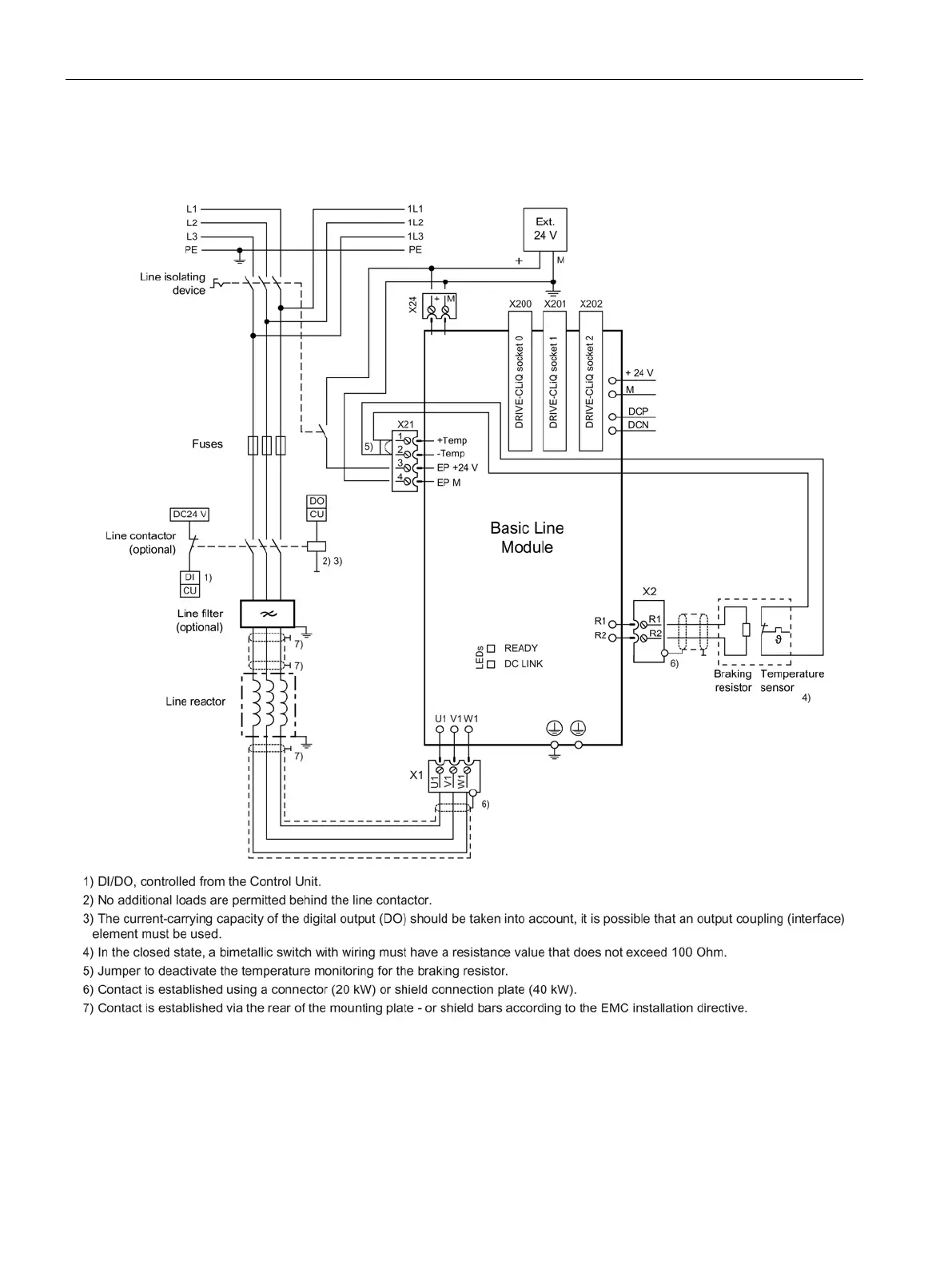
4.7.3
Connection examples
Figure 4-41 Connection example: Basic Line Module (20 kW and 40 kW)

Table of Contents

Other manuals for Siemens SINAMICS S120

Related product manuals