EasyManua.ls Logo

Siemens SINAMICS S120

Siemens SINAMICS S120
826 pages
To Next Page IconTo Next Page
To Next Page IconTo Next Page
To Previous Page IconTo Previous Page
To Previous Page IconTo Previous Page
Loading...
Cabinet design and EMC Booksize
12.4 Arrangement of components and equipment
Booksize Power Units
684 Manual, (GH2), 07/2016, 6SL3097-4AC00-0BP8
12.4.4.5
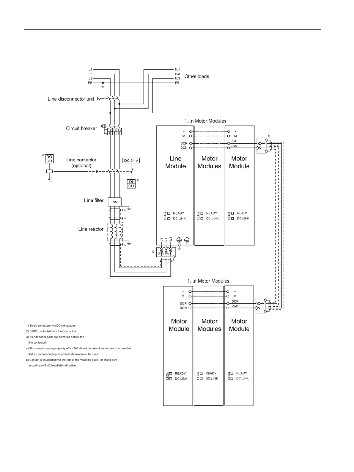
Connection example
Figure 12-15 Connection example for a two-tier drive line-up

Table of Contents

Other manuals for Siemens SINAMICS S120

Related product manuals