EasyManua.ls Logo

Siemens SINAMICS S120 - Page 56

Siemens SINAMICS S120
826 pages
To Next Page IconTo Next Page
To Next Page IconTo Next Page
To Previous Page IconTo Previous Page
To Previous Page IconTo Previous Page
Loading...
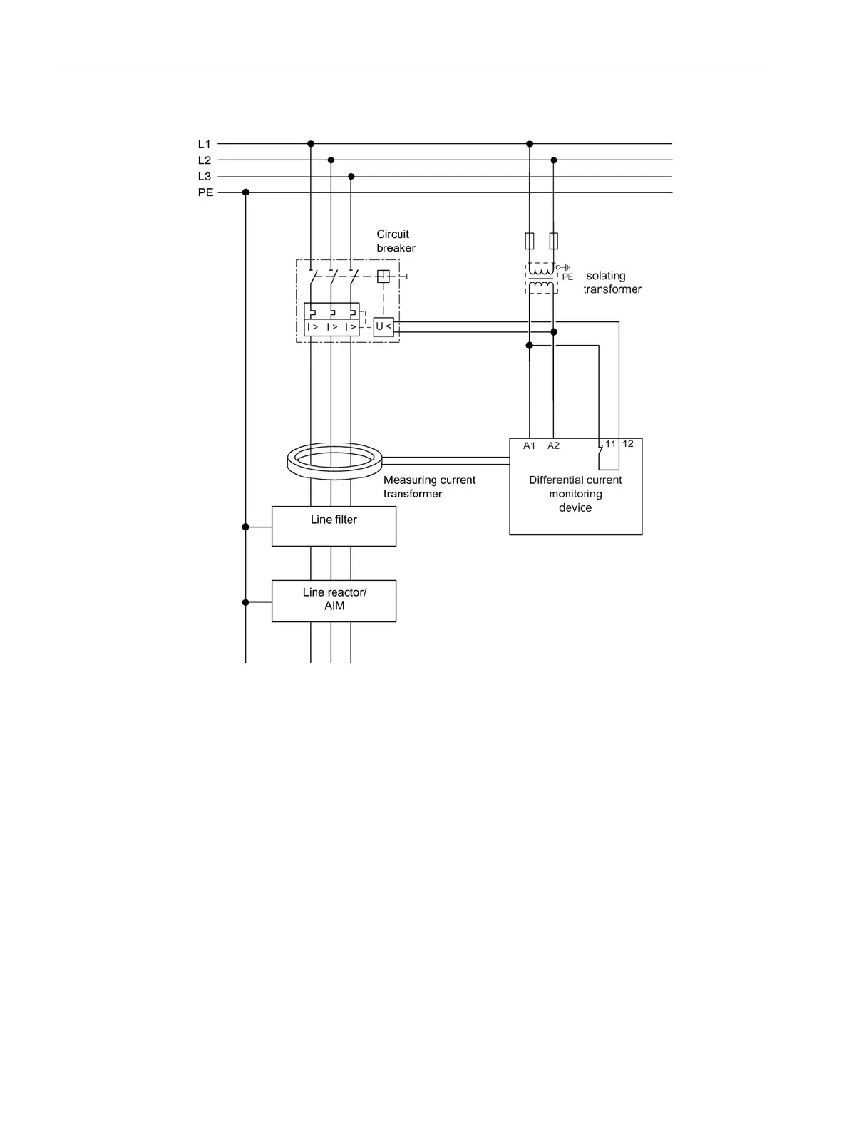
Line connection and line-side power components
3.4 Line supply connection via residual-current devices
Booksize Power Units
56 Manual, (GH2), 07/2016, 6SL3097-4AC00-0BP8
Figure 3-4 Connecting a differential current monitoring device
Recommendation
The subsequently listed products are recommended:
AC/DC-sensitive differential current monitoring device RCMA423-D-2, Bender company,
the 230 V supply voltage is tapped using an upstream isolating transformer
Measuring current transformer W120AB (120 mm) or W210AB (210 mm), Bender
company
Circuit breaker with thermal overload release, short-circuit release, and undervoltage
release

Table of Contents

Other manuals for Siemens SINAMICS S120

Related product manuals