EasyManua.ls Logo

Siemens SINAMICS S120 - Page 806

Siemens SINAMICS S120
826 pages
To Next Page IconTo Next Page
To Next Page IconTo Next Page
To Previous Page IconTo Previous Page
To Previous Page IconTo Previous Page
Loading...
Service and Support Booksize
14.2 Forming the DC link capacitors
Booksize Power Units
806 Manual, (GH2), 07/2016, 6SL3097-4AC00-0BP8
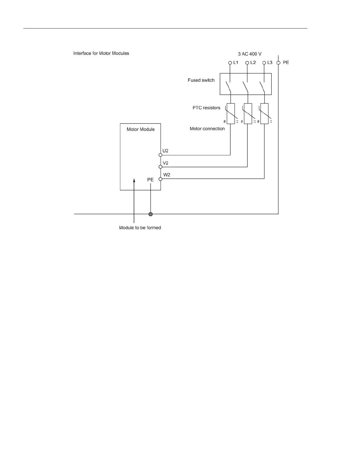
Figure 14-5 Forming circuit for Motor Modules with PTC resistors
Procedure
1. Be sure to remove the DC-link bridge before forming the DC-link capacitors.
2. Make sure that the device
does not
receive a switch-on command (e.g. from the
keyboard, BOP20 or terminal block).
3. Connect the forming circuit.
While forming, the incandescent lamps must go dark or go out completely. If the
incandescent lamps continue to be brightly lit, a fault has occurred in the drive unit or in
the wiring.
For forming using PTC resistors, the modules must remain in the circuit for approx. 1h.
The resistors will become very hot if there is a fault in the unit (surface temperature > 80°
C).

Table of Contents

Other manuals for Siemens SINAMICS S120

Related product manuals