EasyManua.ls Logo

Teledyne 100E - Figure 3-10: Pneumatic Diagram of the M100 E Standard Configuration

Teledyne 100E
258 pages
Print Icon
To Next Page IconTo Next Page
To Next Page IconTo Next Page
To Previous Page IconTo Previous Page
To Previous Page IconTo Previous Page
Loading...
Getting Started Model 100E Instruction Manual
40 045150102 Rev XB1
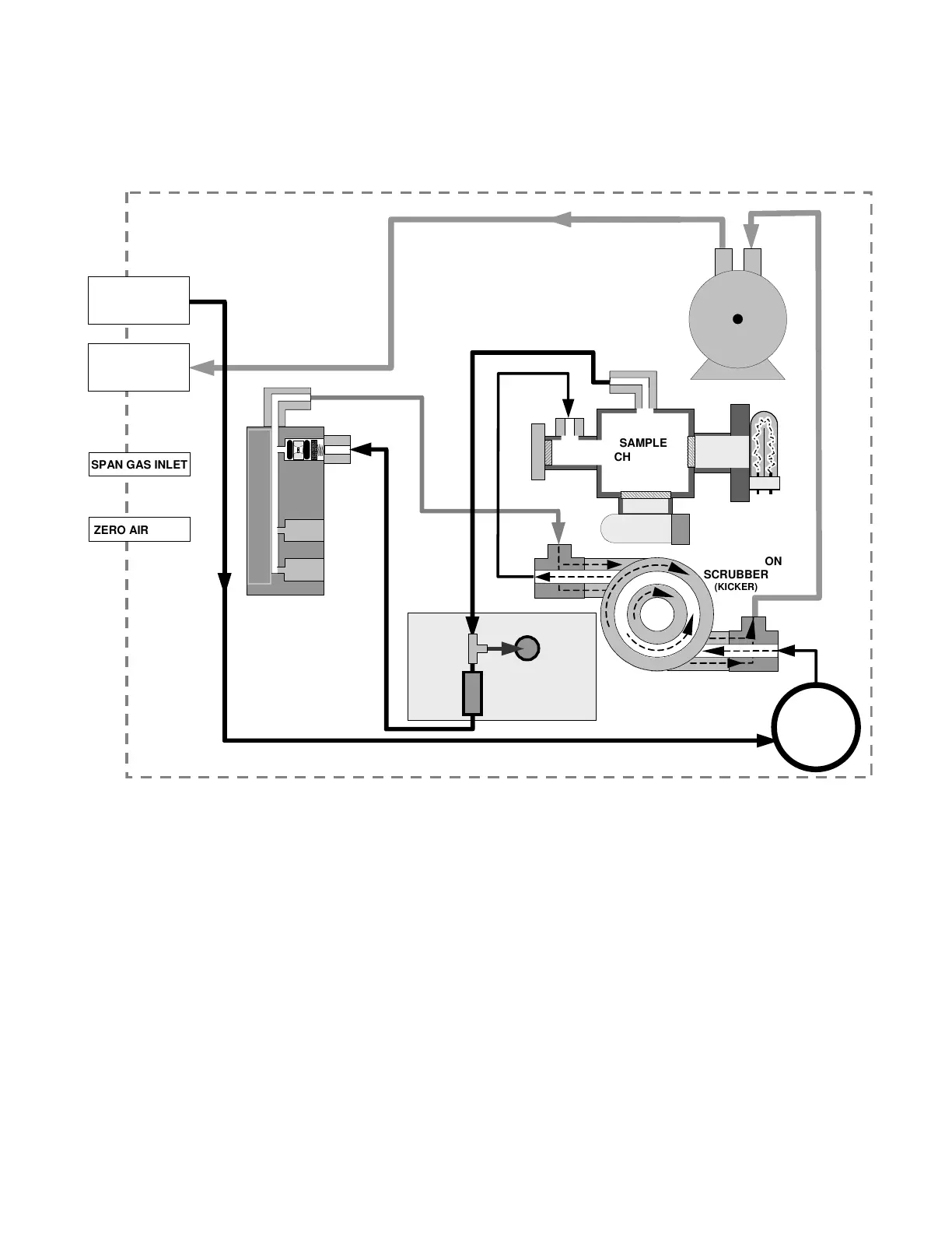
Figure 3-10 shows the internal gas flow diagram for the M100E in its basic configuration.
See Figures 5-2 and 5-3 for gas flow diagrams of units with valve options installed.
Refer to these diagrams whenever trouble-shooting or a thorough understanding of the
analyzer performance are required.
EXHAUST TO OUTER
LAYER OF KICKER
REACTION CELL PURGE
FLO
W
SENSOR
FLOW / PRESSURE
SENSOR PCA
SAMPLE
FILTER
INSTRUMENT CHASSIS
EXHAUST GAS
OUTLET
VACUUM MANIFOLD
SAMPLE GAS
INLET
KICKER EXHAUST TO PUMP
PUMP
FLOW
CONTROL
ASSY
SAMPLE
PRESSURE
SENSO
R
UV
LAMP
PMT



SAMPLE
CHAMBER





HYDROCARBON
SCRUBBER
(KICKER)
SPAN GAS INLET
ZERO AIR INLET
Figure 3-10: Pneumatic Diagram of the M100E Standard Configuration.

Table of Contents

Related product manuals