EasyManua.ls Logo

Vari Lite VL3500 - Page 92

Vari Lite VL3500
199 pages
Print Icon
To Next Page IconTo Next Page
To Next Page IconTo Next Page
To Previous Page IconTo Previous Page
To Previous Page IconTo Previous Page
Loading...
VARILITE® - VL3500™ WASH LUMINAIRE SERVICE MANUAL
74 02.9686.0010 0
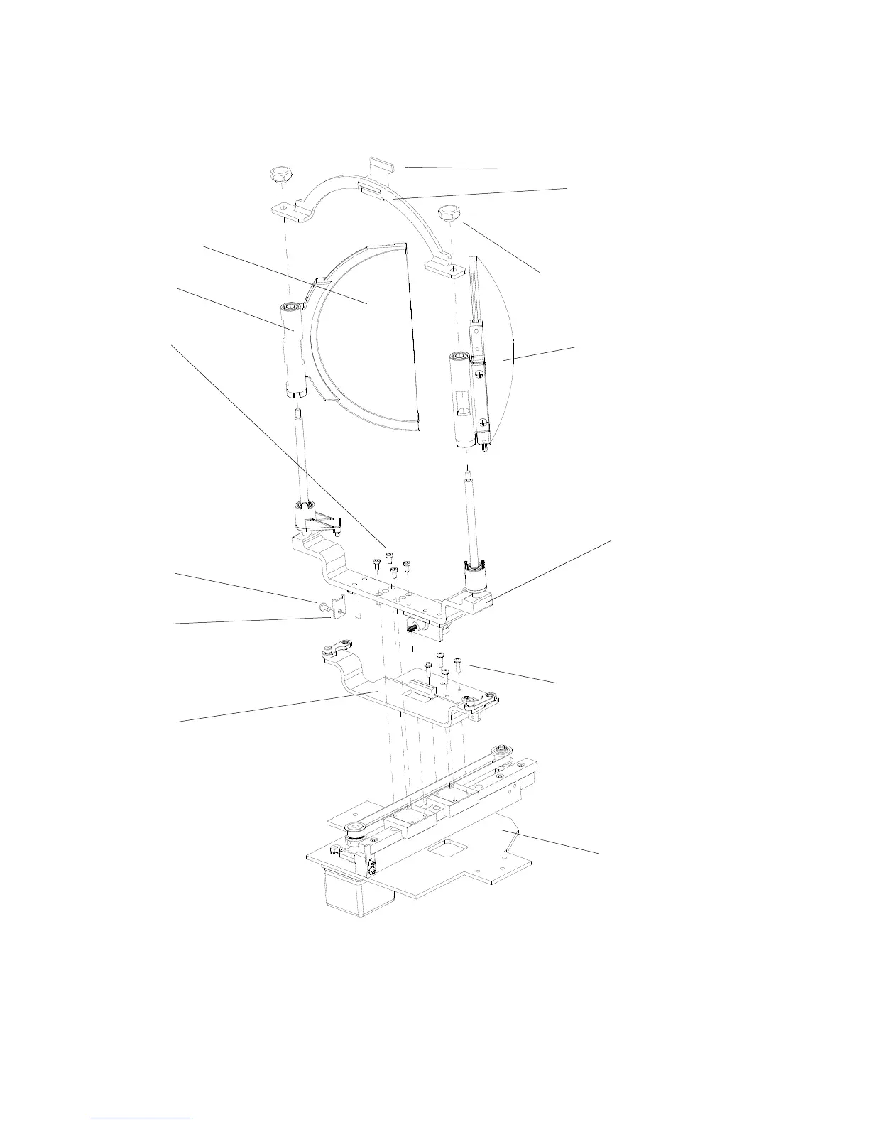
Figure 3-13: Internal Lens Assembly
1
2
3
5 (x4)
4
6 (x4)
7
8
10
11
12 (x2)
13
9 (x2)

Table of Contents

Related product manuals