EasyManua.ls Logo

Yamaha XVS1300A 2007 - Electric Starting System

Yamaha XVS1300A 2007
424 pages
Print Icon
To Next Page IconTo Next Page
To Next Page IconTo Next Page
To Previous Page IconTo Previous Page
To Previous Page IconTo Previous Page
Loading...
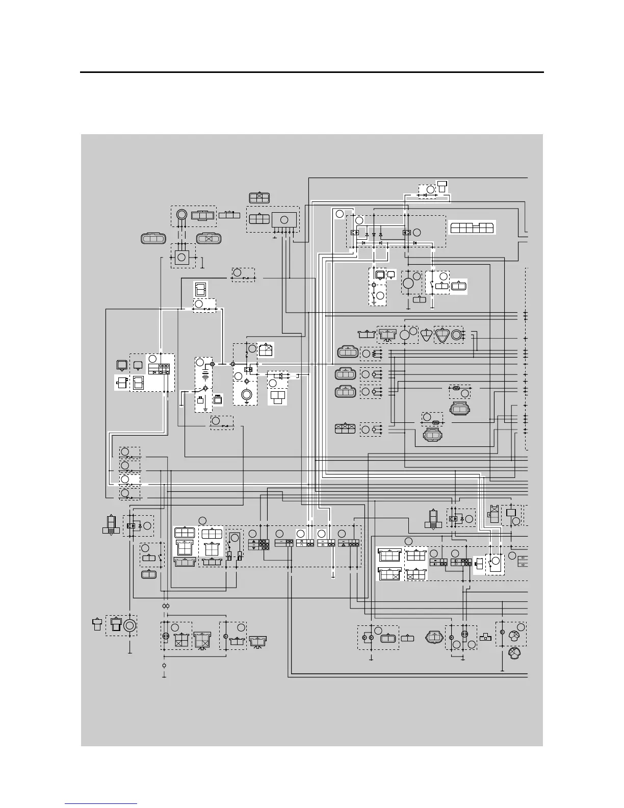
ELECTRIC STARTING SYSTEM
8-7
EAS27160
ELECTRIC STARTING SYSTEM
EAS27170
CIRCUIT DIAGRAM
B/RB/RB/R
B/RB/RB/R
(GRAY)
B
(BLACK)
B/R
WWW
R
B/R
R
R
Br
Br/L
L/W
B/R
B
B/W
(BLACK)
R/W
R/L
R/W
R/L
Sb
B
Sb/WL/WL R/LL/R
R
L/GL/YSb L/WB/Y
BB
R/LB
(DARK GREEN)
B
L/G
BB
(BLACK)
YBr
(BLACK)
B/L
Gy
B
(BLACK)
B
L
L/R
B
P
O/R
B/W
L
W/Y
B/L
P/W
(BLACK)
L B/L
P
(BLACK)
LB/L
Y
(BLACK)
B/LL
B/Y
B
P/W
Y/G
Y
P/B
B/YY/G
B/W
B
P/W
P/B
Br/W
Br/W
B
Lg
Lg
Y/L
Y/L
R/W
R/W
B
B2
R/G
R/G
L
R
Br/W
L
R/WG/Y
R/Y
G/L
Br
Y/B
B
L
(BLACK)
Y
L
B
L/R
Y
B
R/W
B/R
Br
L/W
B/R
R/W
Br
L/W
Y
Ch
L/Y
Dg
B
Br/W
(BLUE)
Y
L/YB
Dg
Ch
Br/W
(BLUE)
Gy
B/Y
G
G/LG/L
B/Y
P
G
L/B
R/Y
L/Y
B/Y
BG/L
BL/B
Y/GL
B/L
B
(GRAY)
(GRAY)
B
Ch
Ch
G
BY
B
B
Br/W
(BLACK)
(BLACK)
(BLACK)
B/L
G/W
(DARK GREEN)
B/L
Br/W
Dg
Dg
Ch
Ch
ON
OFF
RESET
Br Br
Br
Br
R/W
R
R/Y
B
Ch
Ch
BB
YL
BB
B
Y
L/RL/R
Br
Br
L
Br
Y
Y
Y
B
Br
Y
B
G
C C
B
B
C
B/R
B/R
R
Br/W
B
RB/R
B
RR L
R/W
R/L
R/W
L/W
B/L
L
W/Y
R/W
L/B
Gy
W/Y
L/Y
G/LG/L
G/L
G/L
P/W
Y/G
B/Y
P/B
R/W
L/W
Br/W
B/R
Y/B
R/Y
Br
B/Y
GY
B/L
P/W
L
B/L
B/L
Br/W
G/W
B/L
B/L
Y/G
L
P
L
B/L
Y
L
Y
L
P/W
Y/G
B/Y
P
Br/W
G/W
R/B
G/Y
R/L
L/R
L/W
B/L
B/R
B
L
L/W
B/Y
Sb
Sb
L/Y
L
L
Br/W
Br/W
L/R
R/L
L/G
R/L
B
B
Gy
Gy
B/L
L/G
B
Sb/W
L/W
R
R
B
B
B
RR/G
R/G
R/W
Lg
B
Y/L
B/R
B/R
B/R
B/R
R
Br
Br/R
B/R
Br/W
Br/R
L
R/W
G/Y
BL
Br/RBr/R
Dg
1
2
3
4
5
6
7
8
9
10
11
13
12
14
15
16
17
18
19
20
21
22
23
24
25
26
27
50
51
52
5453
55
56
76
75
77
78
79
80
61
6263
65
66
67 68 69 70 71
7273
74
64
N
Manuals by Motomatrix / www.motomatrix.co.uk / The Solution For Lost Motorcycle Coded Keys
email: info@motomatrix.co.uk

Table of Contents

Related product manuals