EasyManua.ls Logo

Abbott CELL-DYN 3000 - Figure 1.5: Analyzer Flow Panel Components

Abbott CELL-DYN 3000
542 pages
Print Icon
To Next Page IconTo Next Page
To Next Page IconTo Next Page
To Previous Page IconTo Previous Page
To Previous Page IconTo Previous Page
Loading...
1-10 CELL-DYN 3000 System Operator’s Manual
9140240E — May 1995
System Description Chapter 1
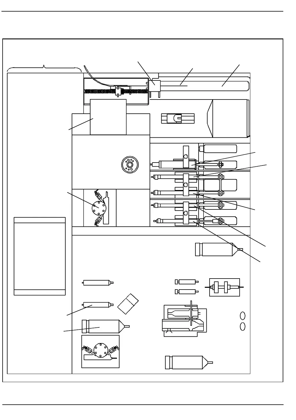
Figure 1.5: Analyzer Flow Panel Components
Vent
Accumulator
HGB
Mixing
Chamber
WBC
Mixing
Chamber
WBC Flow
Cell Cover
WBC Transfer
Peristaltic Pump
HGB
Flow Cell
RBC/PLT
Transducer
Assembly
Waste
Chamber 1
RBC/PLT
Metering
Assembly
Vacuum
Accumulator
Drain Lines
Hydrophobic
Filters
Waste
Chamber 2
Sample Aspiration
Peristaltic Pump
Shear Valve
Assembly
Status
Indicator
Panel
READY
BUSY
FAULT
Closed
Sampler
Module
WBC Metering Syringe
(contains Sheath reagent)
WBC Sheath Syringe
(contains Sheath reagent)
HGB Lyse Syringe
(contains HGB Lyse)
HGB Diluent Syringe
(contains Diluent)
RBC Diluent Syringe
(contains Diluent)
Wash
Block
Open
Sample
Aspiration
Probe
Touch
Plate
Optical
Bench
Assembly
Search
Go Back
Book TOC

Table of Contents

Other manuals for Abbott CELL-DYN 3000

Related product manuals