EasyManua.ls Logo

FUTABA T10J - Airplane Function

FUTABA T10J
174 pages
Print Icon
To Next Page IconTo Next Page
To Next Page IconTo Next Page
To Previous Page IconTo Previous Page
To Previous Page IconTo Previous Page
Loading...
95
Airplane
MENU     1 2 3
▶MDL-SEL
▶MDL-NAME
▶FAIL SAFE
▶REVERSE
▶TIMER
▶SERVO
▶END POINT
▶TRIM
▶SUB TRIM
▶P.MIX1-6
▶AUX-CHAN
▶PARAMETER
MENU     1 2 3
▶TELEMETRY
▶SENSOR
▶SBUS LINK
▶MDL-TRANS
▶TRAINER
▶AIL-DIFF
▶AIL→RUD
▶V-TAIL
▶GYRO SENS
▶ELEVON
▶AILVATOR
▶THR→NEEDL
MENU     1 2 3
▶D/R,EXPO
▶FLAPERON
▶AIR-BRK
▶FLAP→ELE
▶ELE→FLAP
▶FLAP TRIM
▶THR.CUT
▶IDLE DOWN
▶SNAP ROLL
▶THR-CURVE
▶PIT-CURVE
▶THR DELAY
(1 second)
END
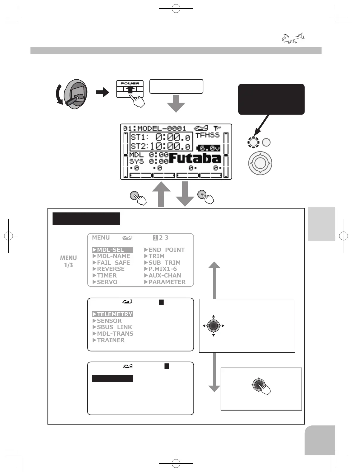
Airplane Function
MENU
When the + key is pressed for
1 second, the menu screen is
displayed.
When the END key i s
pressed, the display returns
to the home screen.
First set the
throttle to slow.
Then turn on the
power.
MENU
1/3
MENU
2/3
MENU
3/3
(Home screen)
Power ON
(Selection)
Move the cursor
(highlighted) up and down
and to the left and right
with the Jog key and select
the function.
The cursor can be moved
over several pages.
(Calling the setting screen)
Press the Jog key to open the
setting screen.
To menu screen
by holding down
the + key
The setting screen of each function is called from the following menu. The function when
the model type was set to airplane (ACROBATIC) is displayed here.

Table of Contents

Other manuals for FUTABA T10J

Related product manuals