EasyManua.ls Logo

GE Vivid P3

GE Vivid P3
336 pages
To Next Page IconTo Next Page
To Next Page IconTo Next Page
To Previous Page IconTo Previous Page
To Previous Page IconTo Previous Page
Loading...
GE HEALTHCARE PROPRIETARY TO GE
D
IRECTION 55344303-100, REVISION 3 VIVID P3 SERVICE MANUAL
Chapter 5 Components and Functions (Theory) 5-11
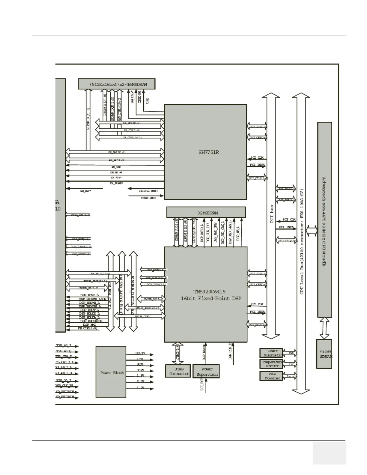
5-2-1 TMST (cont’d)
TMST Block Diagram (cont’d)
TUSC
FPGA
Cont
Power
Block

Table of Contents

Other manuals for GE Vivid P3

Related product manuals