EasyManua.ls Logo

Hisun HS800UTV - Page 189

Hisun HS800UTV
362 pages
Print Icon
To Next Page IconTo Next Page
To Next Page IconTo Next Page
To Previous Page IconTo Previous Page
To Previous Page IconTo Previous Page
Loading...
ENGINE
- 175 -
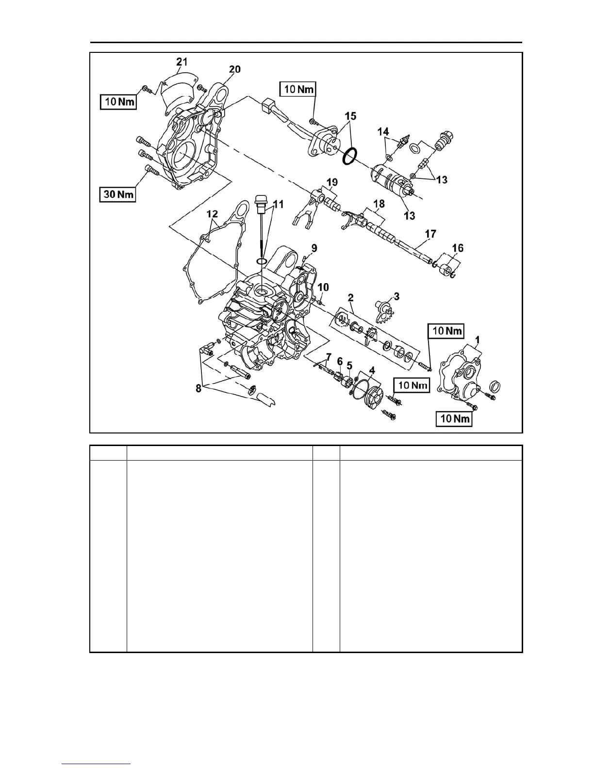
No. Part Name Qty Remarks
11 Oil filler cap/o-ring 1/1
12 Gearcase gasket/dowel pin 1/1
13 Shift drum stopper/spring/steel ball 1/1
14 Reverse switch/washer 1/1
15 Gearshift indicator/o-ring 1/1
16 Spring seat/circlip 1/1
17 Guide bar 1
18 Shift fork 1/long spring 1/1
19 Shift fork 2/short spring 1/1
20 Right gearcase cover 1
21 Right gearcase cover seat bracket 1
For assembly, reverse the disassembly
procedure.

Table of Contents

Related product manuals