EasyManua.ls Logo

Hisun HS800UTV - SPARK PLUG HANDLING AND CLEANING

Hisun HS800UTV
362 pages
Print Icon
To Next Page IconTo Next Page
To Next Page IconTo Next Page
To Previous Page IconTo Previous Page
To Previous Page IconTo Previous Page
Loading...
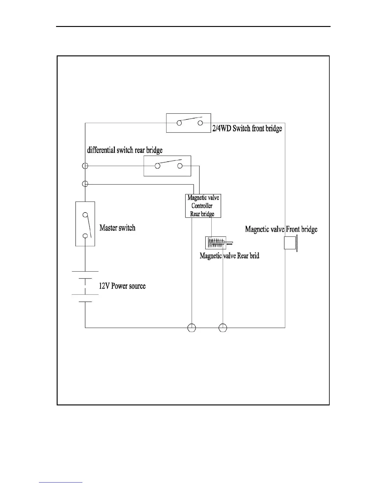
ELECTRICAL COMPONENTS
- 321 -
2WD/4WD SELECTING SYSTEM
CIRCUIT DIAGRAM

Table of Contents

Related product manuals