EasyManua.ls Logo

Hisun HS800UTV - Gearcase; Shift Lever and Oil Pump

Hisun HS800UTV
362 pages
Print Icon
To Next Page IconTo Next Page
To Next Page IconTo Next Page
To Previous Page IconTo Previous Page
To Previous Page IconTo Previous Page
Loading...
ENGINE
- 174 -
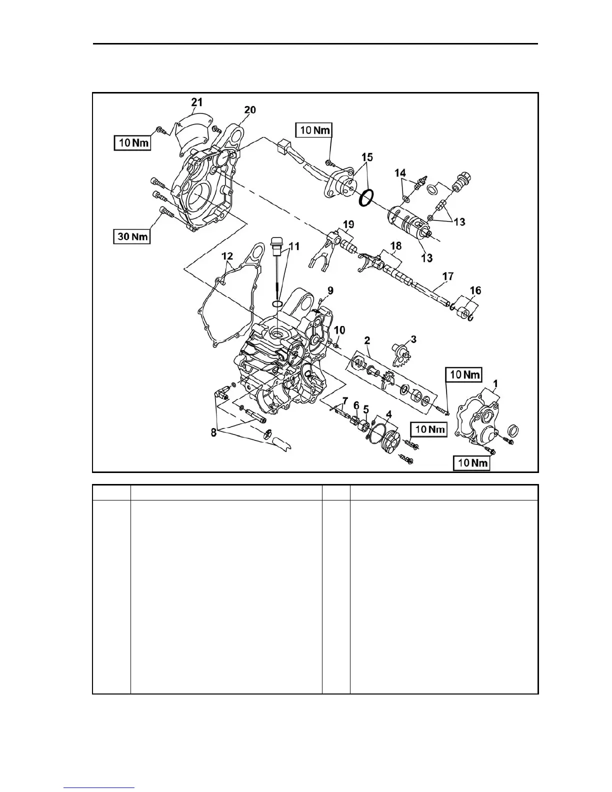
GEARCASE
Shift lever and oil pump
No. Part Name Qty Remarks
Removing the shift lever and gearcase Remove the parts in the order listed.
Gearcase separation
1 Shift lever cover/gasket 1/1
2 Shift lever 2 assembly 1
3 Shift lever 1 1
4 Oil pump/o-ring 1/5
5 Outer rotor 1
6 Inner rotor 1
7 Oil pump shaft/pin 1/1
8 Connecting pipe1/2 1/1
9 Gearcase exhaust nozzle 1
10 Dowel pin 1

Table of Contents

Related product manuals