EasyManua.ls Logo

Keyscan EC2500 Series - Figure 62 - Single ACU Communication NETCOM2 WH or NETCOM6 WH;CB-485

Default Icon
200 pages
Print Icon
To Next Page IconTo Next Page
To Next Page IconTo Next Page
To Previous Page IconTo Previous Page
To Previous Page IconTo Previous Page
Loading...
Keyscan Technical Guide (PC109x - 04.12)
85
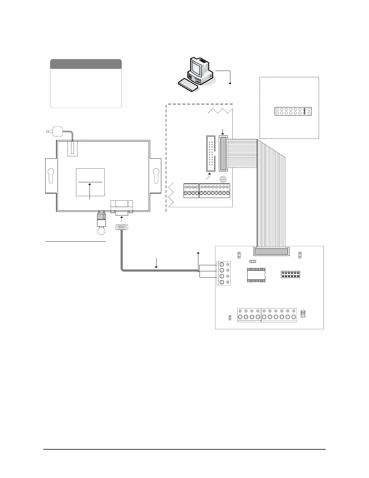
Figure 62 – Single ACU Communication NETCOM2WH or NETCOM6WH/CB-485
- PC with connection to network
- Control Board
- CB-485
- RS-232 data cable
- NETCOM2WH or NETCOM6WH
- Wireless network access point
to network
Host PC with
Communication
Manager
9-pin Male
Connector
NETCOM2WH
or
NETCOM6WH
Current Draw
350 mA
MAC Address
Lantronix WiPort
00-20-4A-96-49-BC
Antenna
NETCOM Internal LED Legend
- RS-232 indicates 9-pin terminal
connected
- RX indicates PC polling ACU/
ECU
- TX indicates ACU/ECU
replying to PC
- ON indicates unit receiving
power
Maximum wireless range is
100 m (328 ft) based on
indoor open air installation.
RS-232
- 22AWG shielded data cable
Maximum - 30 m (100') @
9600 BPS
Green
Red
Black
Shield*
to
ground
lug
Brown &
White not
used. Tape
back.
Control Board
(PC 109x)
Common
AUX Inputs - E
24
2322
2120191817
CPB/CB MODULE
(COM4)
Parts List
Connect CB-485 ribbon
cable to CPB/CB MODULE
on control board.
Jumper ON J16-G to
activate CPB/CB MODULE
(H1).
SYSTEM CONFIG.
J16 - H
GABCDEF
H1
Jumpers
ON
Run
Jumper
ON J1
Current Draw 110 mA
GND
J1
TD
RD
NC
Run
Program
BRN WHT GRN WHT BRN WHTGRNWHT BLUWHT
RS485 IN RS485 OUT M
+-+-+-+-
RS-232
CB-485
RX
LED
TX
LED
H2
ECM/GCM MODULE
(COM2 & COM3)
KI-00165E-07-11
* Insulate shield with PVC tubing such as Alpha #16
or comparable insulator and connect to ground lug.

Table of Contents

Related product manuals