EasyManua.ls Logo

Mack ASET AC - OIL PUMP

Default Icon
536 pages
Print Icon
To Next Page IconTo Next Page
To Next Page IconTo Next Page
To Previous Page IconTo Previous Page
To Previous Page IconTo Previous Page
Loading...
DESCRIPTION AND OPERATION
Page 61
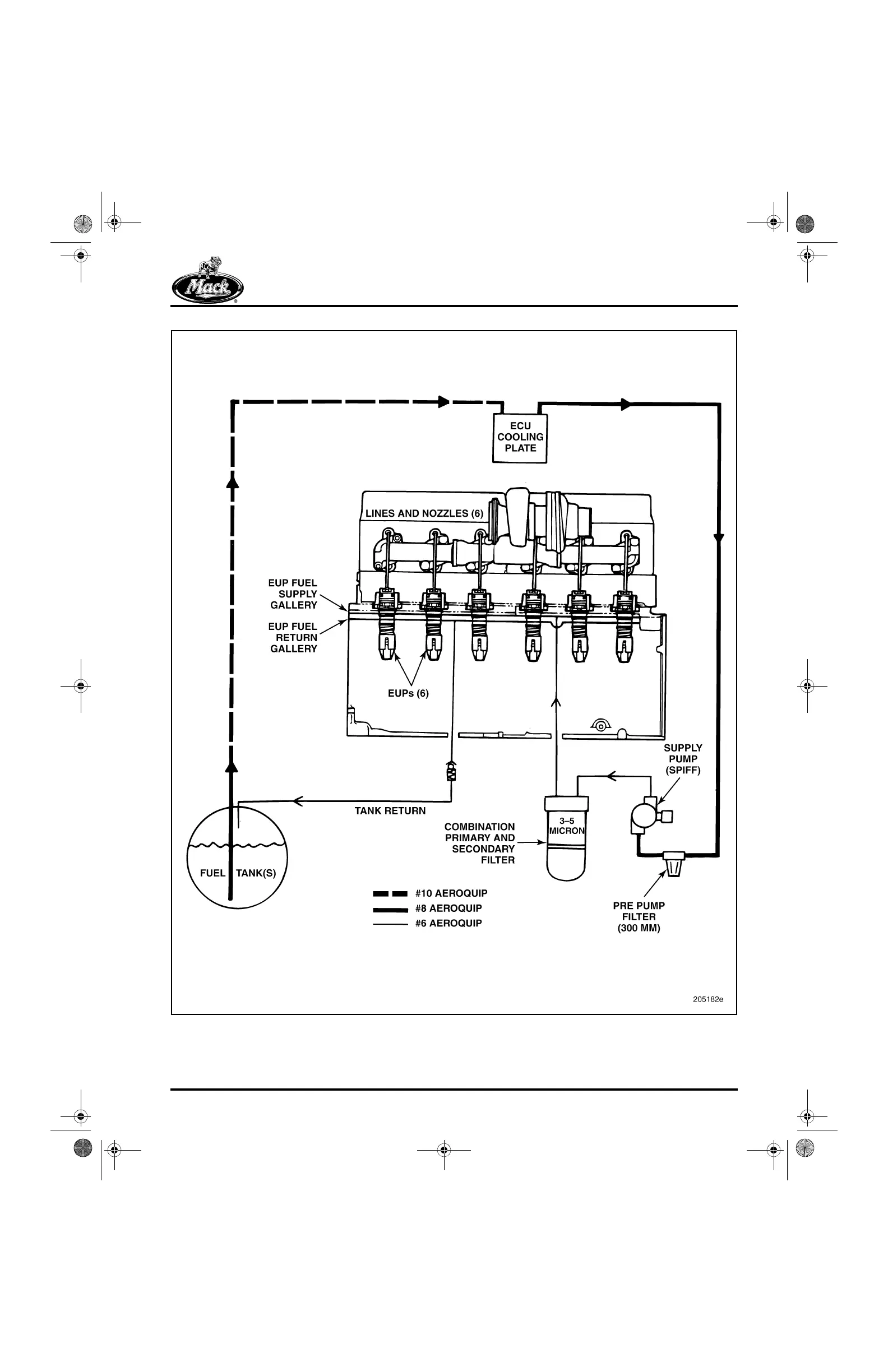
69
Figure 69 — Low-Pressure Fuel System for ASET™ AC Engine with SPIFF Filtration System
5-111.bk Page 61 Monday, July 10, 2006 2:26 PM

Table of Contents

Related product manuals