EasyManua.ls Logo

Mack ASET AC - Page 75

Default Icon
536 pages
Print Icon
To Next Page IconTo Next Page
To Next Page IconTo Next Page
To Previous Page IconTo Previous Page
To Previous Page IconTo Previous Page
Loading...
Page 62
DESCRIPTION AND OPERATION
70
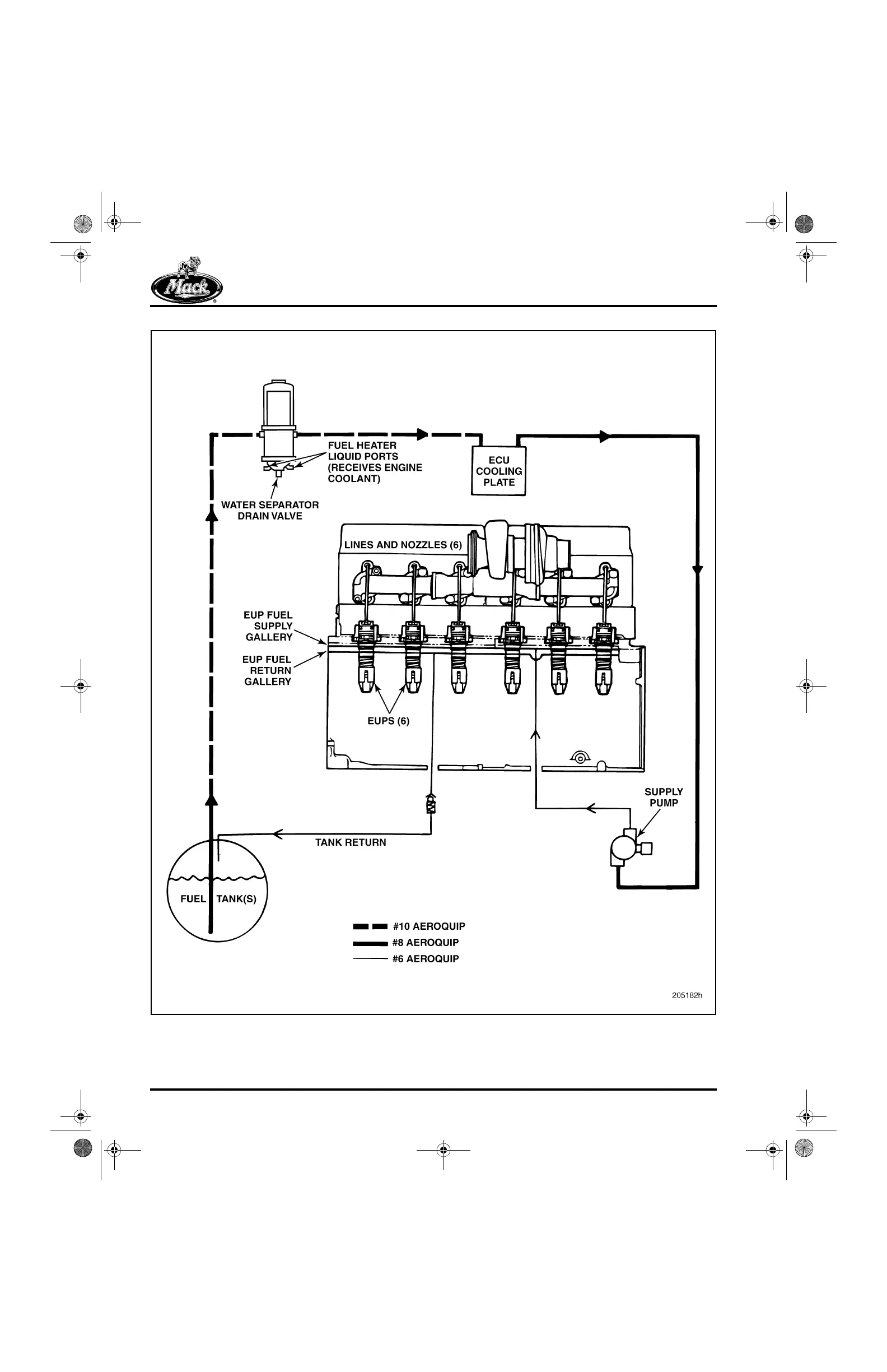
Figure 70 — Low-Pressure Fuel System for ASET™ AC Engine with Optional Fuel Filter Arrangement
5-111.bk Page 62 Monday, July 10, 2006 2:26 PM

Table of Contents

Related product manuals