EasyManua.ls Logo

Panasonic fp2/fp2sh - Page 106

Panasonic fp2/fp2sh
374 pages
Print Icon
To Next Page IconTo Next Page
To Next Page IconTo Next Page
To Previous Page IconTo Previous Page
To Previous Page IconTo Previous Page
Loading...
FP2/FP2SHParts and Functions
2 66
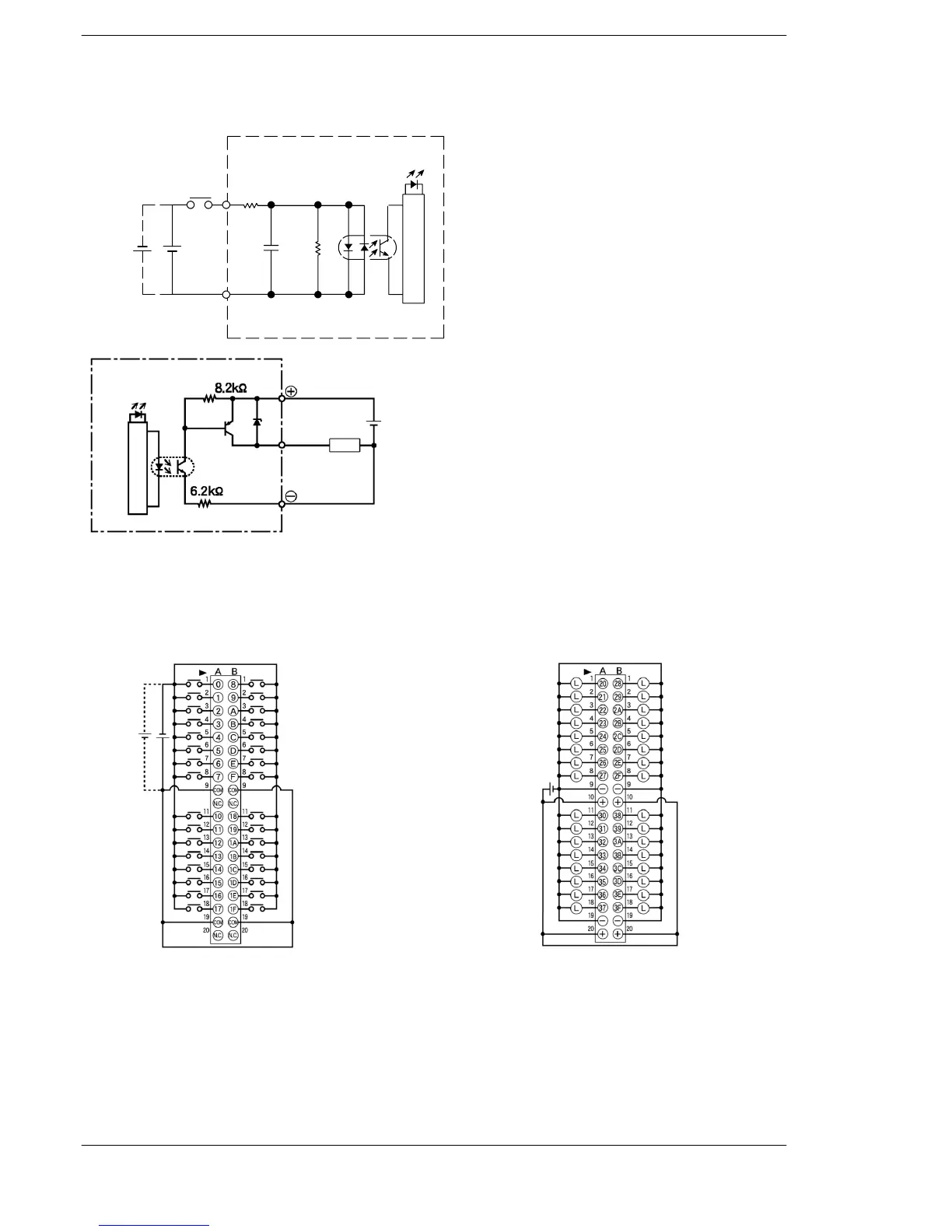
2.11 I/O Mixed Units Specifications
Internal Circuit Diagram
24V DC
Input
COM
Input indicator LED
Internal circuit
Input
5.6k
560
Pin Layout
5 to 24V DC
24V DC
Input X0 to X1F
Pin layout of first 32 points
Left side connector
Output Y20 to Y3F
Pin layout of last 32 points
Right side connector
The COM pins of each connector are
connected internally.
Although + and
terminals are
connected internally with the same
connector. It is recommended that
they also be connected externally.
Internal circuit
Output indicator
LED
Output
Load
5 to 24V DC
Output

Table of Contents

Related product manuals