EasyManua.ls Logo

Panasonic fp2/fp2sh - Page 92

Panasonic fp2/fp2sh
374 pages
Print Icon
To Next Page IconTo Next Page
To Next Page IconTo Next Page
To Previous Page IconTo Previous Page
To Previous Page IconTo Previous Page
Loading...
FP2/FP2SHParts and Functions
2 52
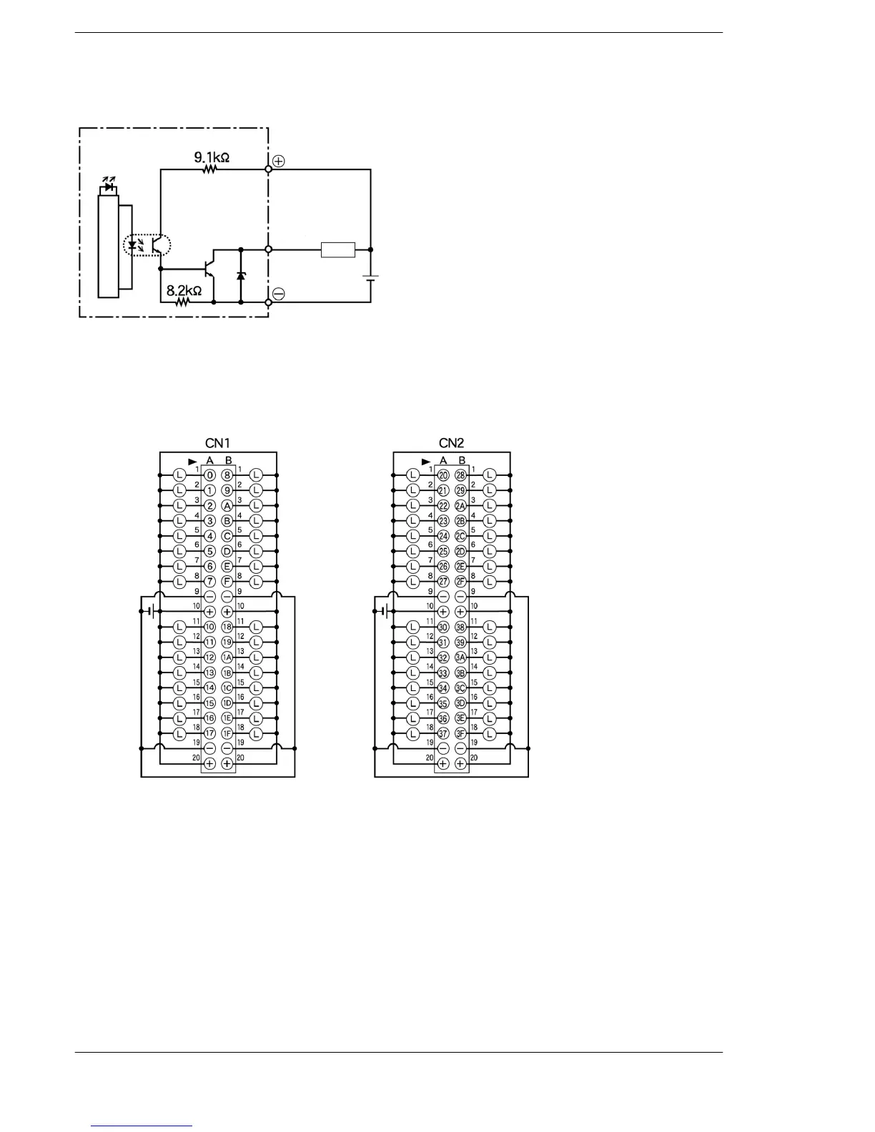
2.10 Output Units Specifications
Internal Circuit Diagram
Output indicator
LED
Internal circuit
Output
Load
5 to 24V DC
Pin Layout
Output Y0 to Y1F
Pin layout of first 32 points
Left side connector (CN1)
Output Y20 to Y3F
Pin layout of last 32 points
Right side connector (CN2)
5 to 24V DC 5 to 24V DC
Although and terminals are connected internally with the same connector. It is rec-
ommended that they also be connected externally.
For more information regarding the applicable connectors and terminals, refer to sec-
tion 4.4.1.

Table of Contents

Related product manuals