EasyManua.ls Logo

Ski-Doo TOURING E LT 1997 - 2-Speed Gearbox; Gearbox

Ski-Doo TOURING E LT 1997
926 pages
Print Icon
To Next Page IconTo Next Page
To Next Page IconTo Next Page
To Previous Page IconTo Previous Page
To Previous Page IconTo Previous Page
Loading...
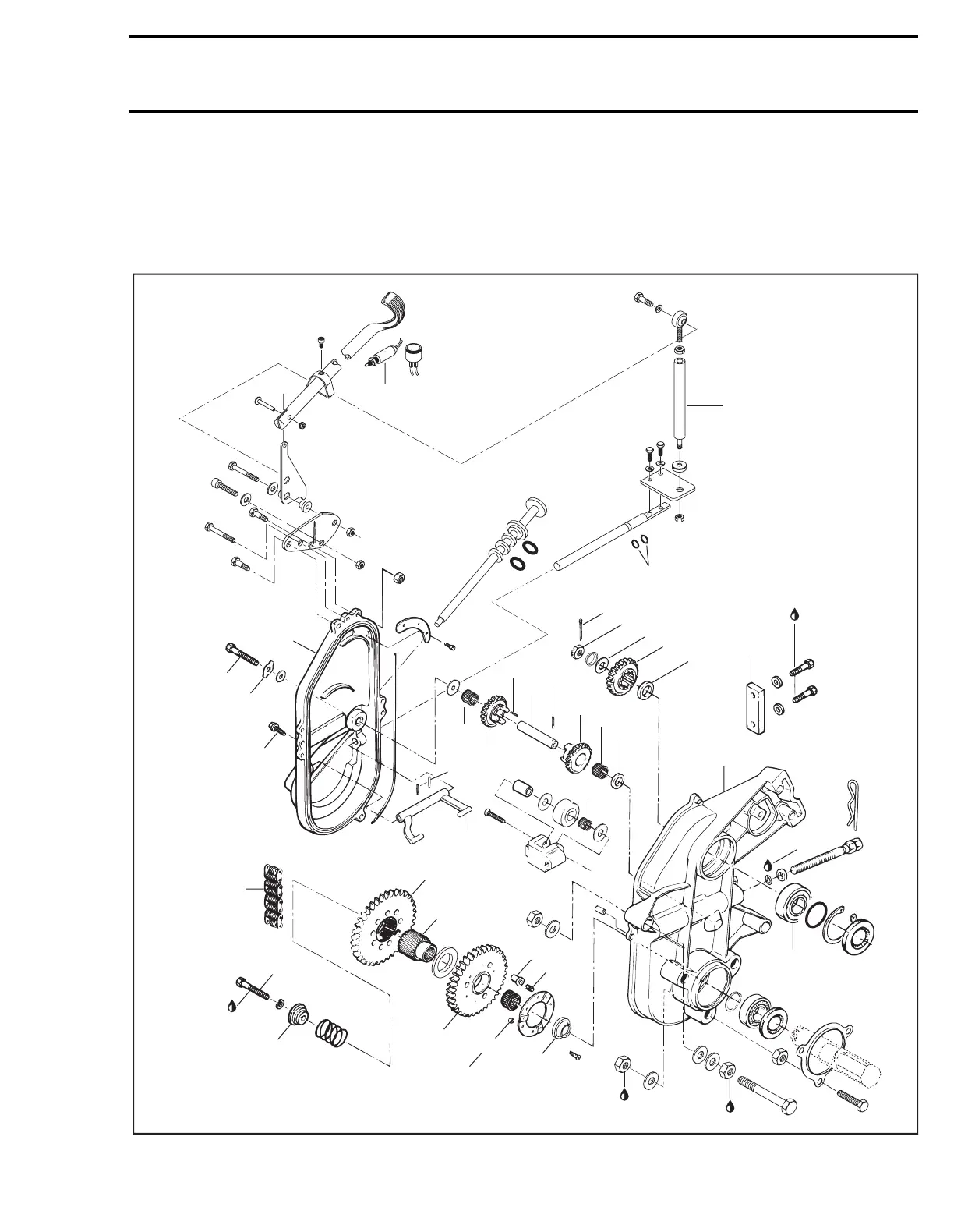
Section 04 TRANSMISSION
Sub-Section 08 (GEARBOX)
04-08-1
GEARBOX 8
2-SPEED GEARBOX
Touring SLE and Skandic 380 / 500
A03D17S
15 N•m
(133 lbf•in)
7
8
5
28
31
40
48 N•m
(35 lbf•ft)
Loctite
271
6
16
17
32
33
34
37
38
5 N•m
(44 lbf•in)
35
36
29 N•m
(21 lbf•ft)
Loctite
242
Loctite
242
27
Grease
25
14
Loctite
271
26
15
18
19
20
21
22
23
24
10
9
11
12
13
Grease
4
29
FLAT RATE
PARTS

Table of Contents

Related product manuals