EasyManua.ls Logo

Ski-Doo TOURING E LT 1997 - 599, 699 and 809 Engine Types

Ski-Doo TOURING E LT 1997
926 pages
Print Icon
To Next Page IconTo Next Page
To Next Page IconTo Next Page
To Previous Page IconTo Previous Page
To Previous Page IconTo Previous Page
Loading...
Section 03 ENGINE
Sub-Section 02 (599, 699 AND 809 ENGINE TYPES)
03-02-1
599, 699 AND 809 ENGINE TYPES 0
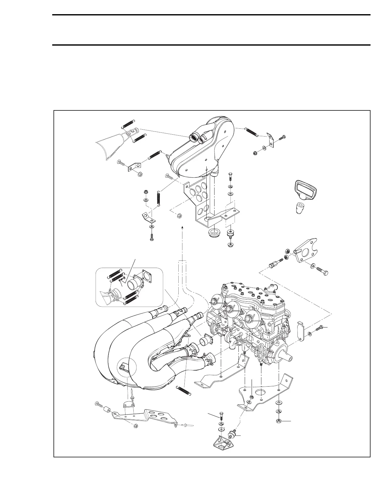
ENGINE REMOVAL AND INSTALLATION
All Models
ROTAX
A06C0TS
37 N•m
(27 lbf•ft)
35 N•m
(26 lbf•ft)
29 N•m
(21 lbf•ft)
15 N•m
(133 lbf•in)
10 N•m (98 lbf•in)
1
2
3
4
PARTS
FLAT RATE

Table of Contents

Related product manuals