EasyManua.ls Logo

Ski-Doo TOURING E LT 1997 - Bottom End

Ski-Doo TOURING E LT 1997
926 pages
Print Icon
To Next Page IconTo Next Page
To Next Page IconTo Next Page
To Previous Page IconTo Previous Page
To Previous Page IconTo Previous Page
Loading...
Section 03 ENGINE
Sub-Section 03 (454, 494, 583 AND 670 ENGINE TYPES)
03-03-10
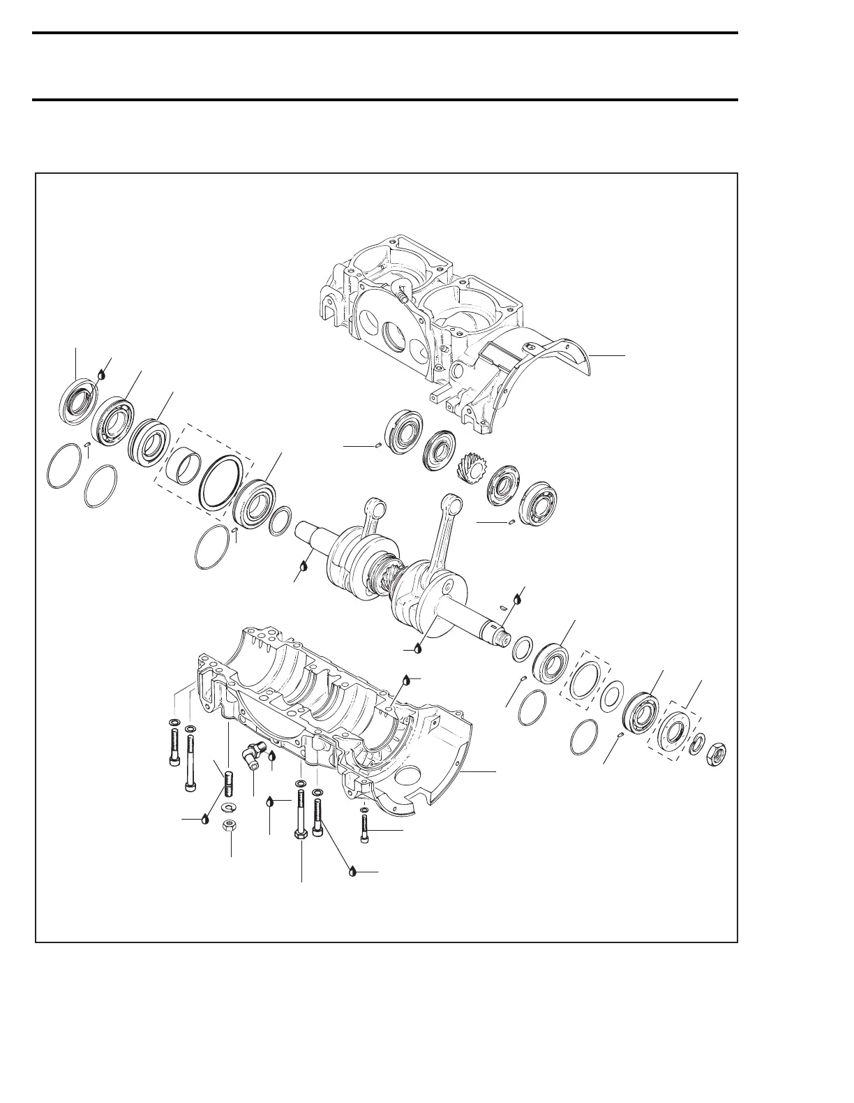
BOTTOM END
TYPICAL
A06C3CS
1
2
2
4
5
Lithium
grease
3
4
454, 494
and
670
engines
only
Anti-seize
lubricant
Anti-seize
lubricant
Loctite
515
Loctite
242
6
6
454, 494
and
670
engines
only
7
2
2
Except
454, 494
and 670.
See CDI
SYSTEM
8
10 N•m
(89 lbf•in)
Loctite
242
29 N•m
(21 lbf•ft)
Loctite
242
10
11
13
38 N•m
(28 lbf•ft)
Loctite
242
12
29 N•m
(21 lbf•ft)
2
2
FLAT RATE
PARTS

Table of Contents

Related product manuals