EasyManua.ls Logo

Ski-Doo TOURING E LT 1997 - Carburetor and Fuel Pump

Ski-Doo TOURING E LT 1997
926 pages
Print Icon
To Next Page IconTo Next Page
To Next Page IconTo Next Page
To Previous Page IconTo Previous Page
To Previous Page IconTo Previous Page
Loading...
Section 03 ENGINE
Sub-Section 08 (CARBURETOR AND FUEL PUMP)
03-08-1
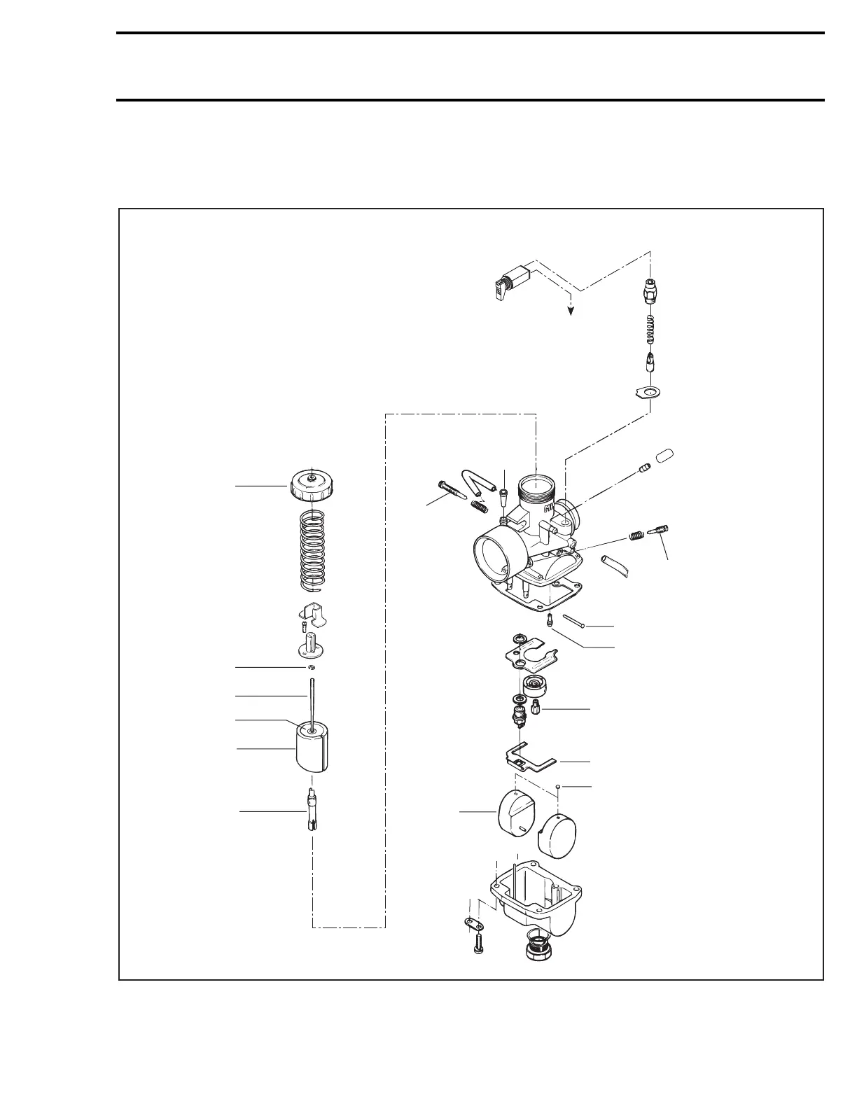
CARBURETOR AND FUEL PUMP 0
Formula III/III LT and Mach 1
A03C1MT
6
13
10
8
11
12
9
7
1
2
3
4
5
14
To other
carburetors
15
FLAT RATE
PARTS

Table of Contents

Related product manuals