EasyManua.ls Logo

Ski-Doo TOURING E LT 1997 - Top End

Ski-Doo TOURING E LT 1997
926 pages
Print Icon
To Next Page IconTo Next Page
To Next Page IconTo Next Page
To Previous Page IconTo Previous Page
To Previous Page IconTo Previous Page
Loading...
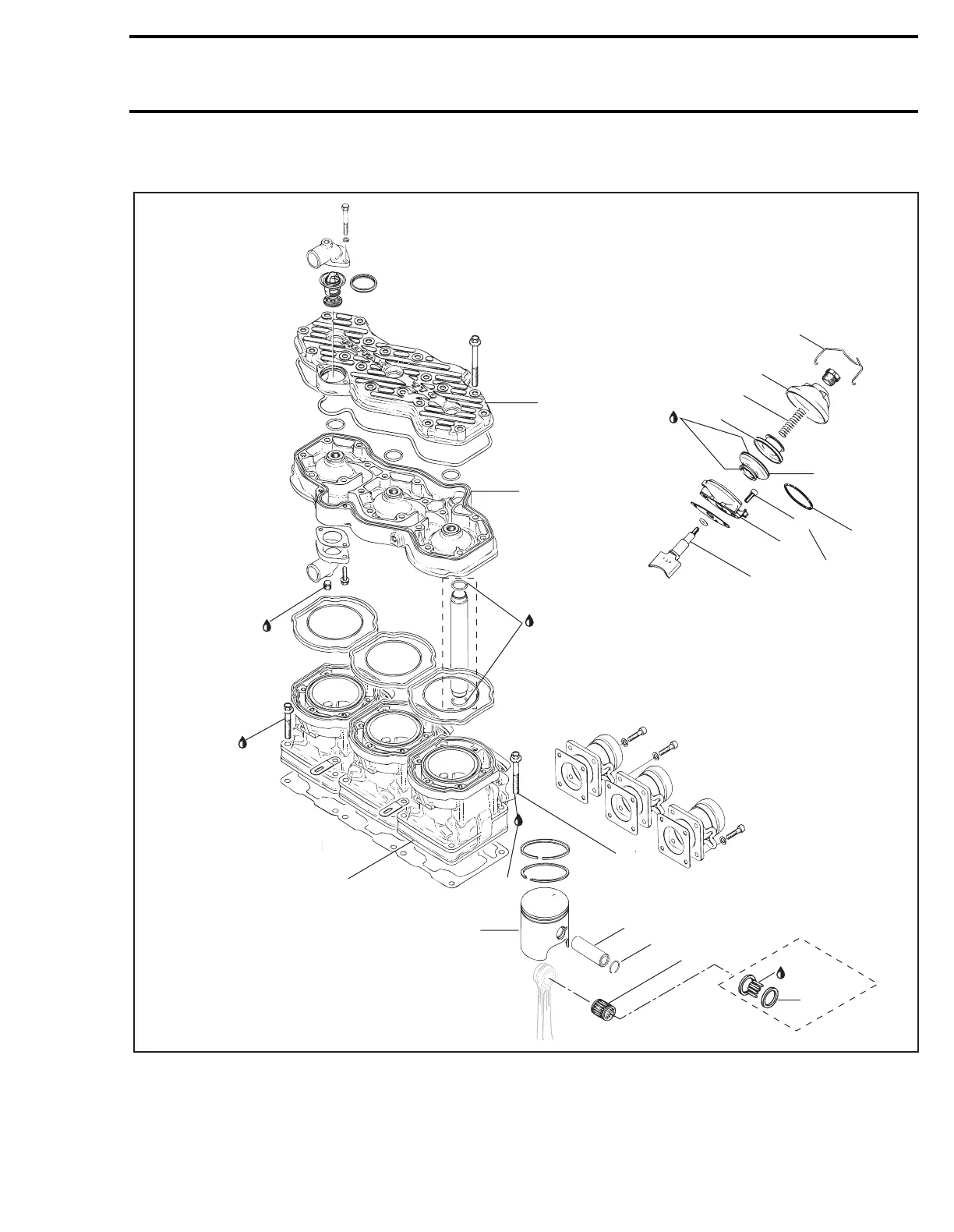
Section 03 ENGINE
Sub-Section 02 (599, 699 AND 809 ENGINE TYPES)
03-02-3
TOP END
A06C3MS
10 N•m
(89 lbf•in)
30 N•m
(22 lbf•ft)
Loctite 242
(P/N 413 7030 00)
29 N•m
(21 lbf•ft)
Grease
29 N•m
(21 lbf•ft)
Grease
809 only
809
only
Molykote 111
(P/N 413 7070 00)
10 N•m
(89 lbf•in)
12
1
2
13
14
10
8
17
6
5
4
3
7
Grease
11
15
16
9
Grease
FLAT RATE
PARTS

Table of Contents

Related product manuals