EasyManua.ls Logo

Ski-Doo TOURING E LT 1997 - Steering Adjustment (Skis)

Ski-Doo TOURING E LT 1997
926 pages
Print Icon
To Next Page IconTo Next Page
To Next Page IconTo Next Page
To Previous Page IconTo Previous Page
To Previous Page IconTo Previous Page
Loading...
SHOP MANUAL SUPPLEMENT
MX Zx 440 LC
PAGE 8 OF 18
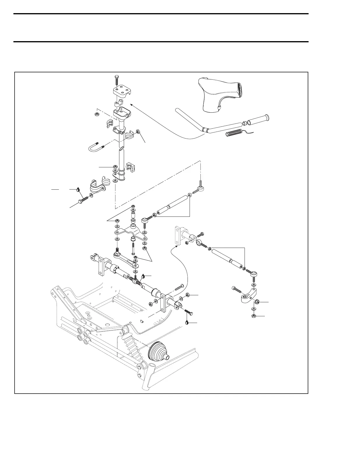
STEERING ADJUSTMENT (SKIS)
A15C2JS
10 N•m
(7 lbf•ft)
52 N•m
(38 lbf•ft)
Loctite
271
26
15 N•m
(11 lbf•ft)
52 N•m
(38 lbf•ft)
18 N•m
(13 lbf•ft)
52 N•m
(38 lbf•ft)
18 N•m
(13 lbf•ft)
Loctite
271
48 N•m
(35 lbf•ft)
Loctite
271
25 N•m
(18 lbf•ft)
52 N•m
(38 lbf•ft)
PARTS

Table of Contents

Related product manuals