EasyManua.ls Logo

Ski-Doo TOURING E LT 1997 - Page 266

Ski-Doo TOURING E LT 1997
926 pages
Print Icon
To Next Page IconTo Next Page
To Next Page IconTo Next Page
To Previous Page IconTo Previous Page
To Previous Page IconTo Previous Page
Loading...
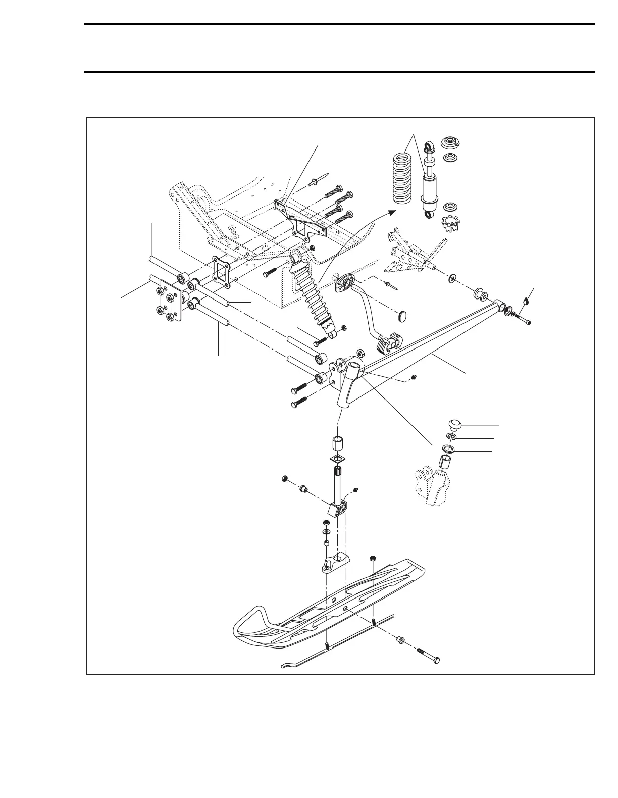
Section 07 STEERING / FRONT SUSPENSION
Sub-Section 03 (SUSPENSION AND SKI SYSTEM)
07-03-5
S-Series
A03G0CS
5
Loctite 242
11
8
8
7
7
6
1
4
3
2
FLAT RATE
PARTS

Table of Contents

Related product manuals