EasyManua.ls Logo

Ski-Doo TOURING E LT 1997 - Page 640

Ski-Doo TOURING E LT 1997
926 pages
Print Icon
To Next Page IconTo Next Page
To Next Page IconTo Next Page
To Previous Page IconTo Previous Page
To Previous Page IconTo Previous Page
Loading...
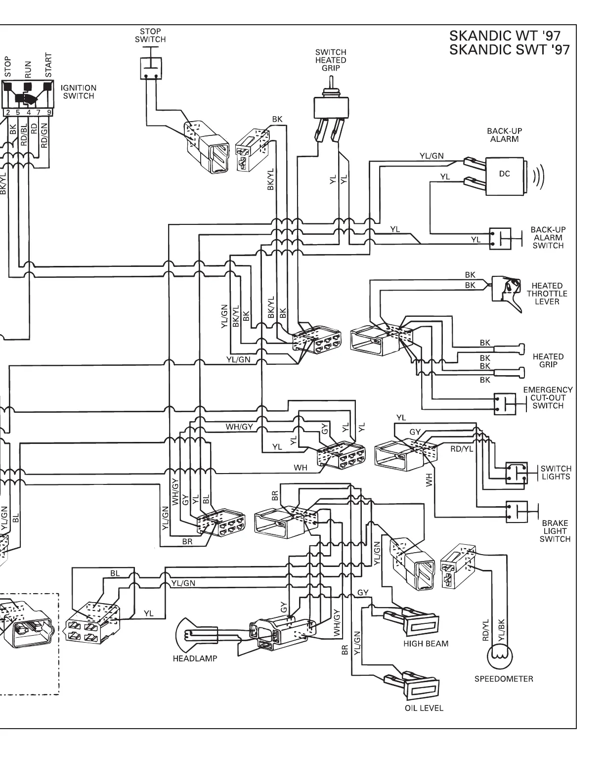
ANNEX 7

Table of Contents

Related product manuals