EasyManua.ls Logo

Ski-Doo TOURING E LT 1997 - Page 643

Ski-Doo TOURING E LT 1997
926 pages
Print Icon
To Next Page IconTo Next Page
To Next Page IconTo Next Page
To Previous Page IconTo Previous Page
To Previous Page IconTo Previous Page
Loading...
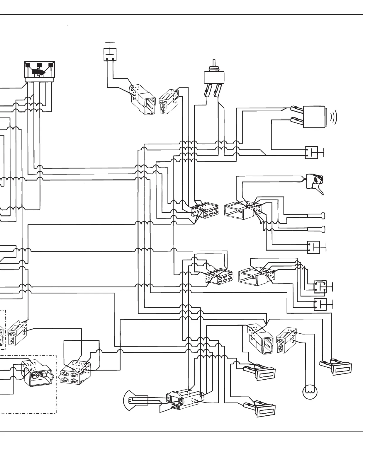
BRAKE
LIGHT
SWITCH
REGULATOR
RECTIFIER
SWITCH
LIGHTS
EMERGENCY
CUT-OUT
SWITCH
ENGINE
OVERHEATING
SPEEDOMETER
OIL
LEVEL
BACK-UP
ALARM
SWITCH
HEATED
GRIP
TOP
SWITCH
STARTER SOLENOID
SPARK
PLUGS
IGNITION
COIL
87
86
30
85
STARTER
BATTERY
FUSE
20 A
RD/GN
RD
BK
RD/GN
RD
BK/YL
254
7
9
STOP
RUN
START
IGNITION
SWITCH
BK
RD/BL
RD/GN
RD
BK/YL
BK
BK/YL
YL
YL
YL/GN
YL
DC
YL
YL
BACK-UP
ALARM
SWITCH
HEATED
THROTTLE
SWITCH
HEATED
GRIPS
BK
BK
BK
BK
BK
BK
GY/VI
VI
YL
YL/BK
RD/YL
YL
GY
RD/YL
WH
YL
YL
YL/GN
HIGH BEAM
YL/GN
BR
WH/GY
YL/GN
GY
HEADLAMP
GY
YL
WH/GY
GY
YL
YL
BK
BK/YL
BK
BK/YL
YL/GN
YL/GN
YL
BL
BL
FUEL LEVEL
GAUGE
YL/BK
RD/YL
YL
BL
FUEL LEVEL
SENSOR
FUSE
0,25 A
YL/BK
BL
YL/GN
WH
WH/RD
RESISTOR
30 OHM
WH/RD
BR
YL
YL
YL
BK
BK
RD/BL
WH
YL/GN
YL/GN
OIL LEVEL
SENSOR
TAILLIGHT
YL
YL/GN
WH
1
2
3
YL
GN
RD
BK
YL
YL/GN
YL/GN
YL
TEMPERATURE
SENSOR
VI
YL/GN
BK/YL
BK/WH
GENERATOR
COIL
BR
YL/BK
YL
BK
BK
YL/GN
YL
YL
BK
WH/BL
BL
WH
BK/RD
RD
BK
BL/YL
WH/YL
IGNITION
MODULE
SKANDIC WT LC '97
COLOR CODE
BK - BLACK
WH - WHITE
RD - RED
BL - BLUE
YL - YELLOW
GN - GREEN
GY - GREY
VI - VIOLET
OR - ORANGE
BR - BROWN
; WARNING
ENSURE ALL TERMINALS ARE
PROPERLYCRIMPED ON THE WIRES
AND ALL CONNECTOR HOUSINGS
ARE PROPERLY FASTENED.
ANNEX 8

Table of Contents

Related product manuals