EasyManua.ls Logo

Ski-Doo TOURING E LT 1997 - Page 75

Ski-Doo TOURING E LT 1997
926 pages
Print Icon
To Next Page IconTo Next Page
To Next Page IconTo Next Page
To Previous Page IconTo Previous Page
To Previous Page IconTo Previous Page
Loading...
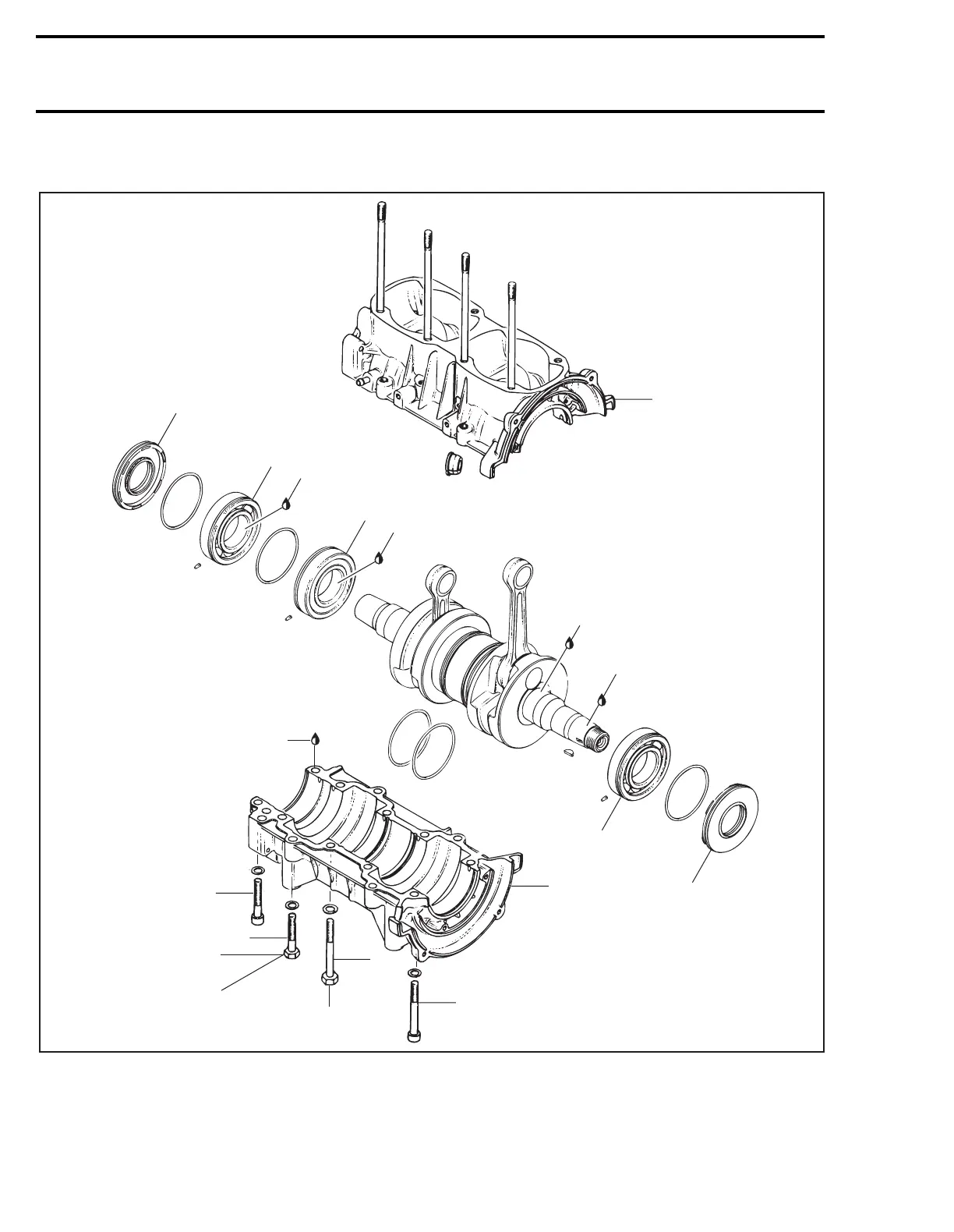
Section 03 ENGINE
Sub-Section 03 (377, 443 AND 503 ENGINE TYPES)
03-03-10
BOTTOM END
A03C1IS
Anti-seize
lubricant
22 N•m
(16 lbf•ft)
503: 22 N•m
(16 lbf•ft)
377: 10 N•m
(89 lbf•in)
11
9
8
7
6
5
2
4
10
3
2
1
3
Anti-seize
lubricant
Anti-seize
lubricant
22 N•m
(16 lbf•ft)
PARTS
FLAT RATE

Table of Contents

Related product manuals