EasyManua.ls Logo

Sony CBK-HD01 - Replacing Spindle Motor

Sony CBK-HD01
300 pages
Print Icon
To Next Page IconTo Next Page
To Next Page IconTo Next Page
To Previous Page IconTo Previous Page
To Previous Page IconTo Previous Page
Loading...
PDW-700/V1 (E)
7-15
7-1-8. Replacing Spindle Motor
m
. To prevent the possibility of damage to the optical block assembly in the drive assembly by static
electricity charged in a human body or clothes, be sure to establish a ground before starting the service
operation. (Refer to Section 1-12-1.)
. The spindle motor and the actuator around the objective lens have intense magnetic circuits. Keep
magnetic substance away from these parts. If the magnetic force makes a screwdriver hit the actuator,
the objective lens will be damaged. If the magnetic substance is moved close to these parts, their
characteristics may be changed.
. Life of flexible card wire and flexible board will be significantly shortened if they are folded. Flexible
board is easily cut. Be very careful not to fold them.
1. Remove the outside panel assembly.
(Refer to Section 1-7-1.)
2. Remove the laser caution sheet.
(Refer to Section 1-6-2 step 2.)
3. Remove the corner block with adhesive sheet
and cover sheet.
(Refer to Section 7-1-1 step 3.)
4. Remove the SW guard assembly.
(Refer to Section 1-7-6.)
5. Remove the loader assembly.
(Refer to Section 7-1-1.)
6. Disconnect the flexible card wire from the
connector CN3.
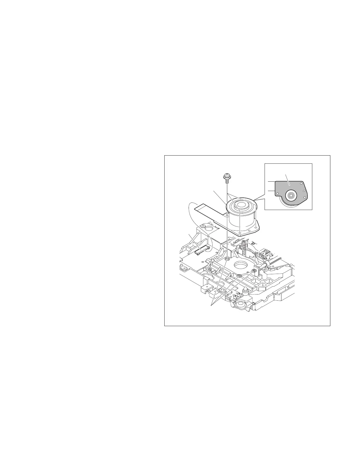
7. Remove the three screws, and remove the
spindle motor.
8. Clean the attaching surface (*) and the three
screw holes (*) of a new spindle motor with a
cleaning cloth with cleaning fluid soaked.
9. Install the spindle motor with three screws in
the order of the numbers shown in the figure.
10. Connect the flexible card wire to the connec-
tor CN3.
11. Perform the skew adjustment.
(Refer to Section 8.)
12. Reinstall the removed parts by reversing
steps 1 to 5.
Attaching surface (*)
Screw holes (*)
Spindle motor
CN3
PSW2 x 6
1
2
3

Table of Contents

Related product manuals