EasyManua.ls Logo

Sony CBK-HD01 - Recommended Replacement Parts

Sony CBK-HD01
300 pages
Print Icon
To Next Page IconTo Next Page
To Next Page IconTo Next Page
To Previous Page IconTo Previous Page
To Previous Page IconTo Previous Page
Loading...
6-6
PDW-700/V1 (E)
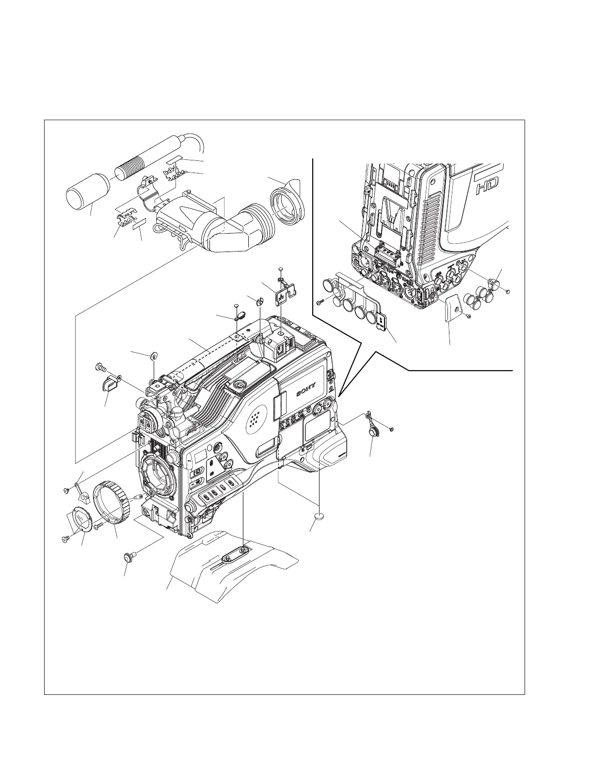
6-5. Recommended Replacement Parts
This section describes the recommended replacement parts and recommended replacement time.
8
11
16
18
15
19
10
19
6
12
5
21
20
7
1
9
17
13
13
4
14
14
3

Table of Contents

Related product manuals