EasyManua.ls Logo

Sony CBK-HD01 - Page 29

Sony CBK-HD01
300 pages
Print Icon
To Next Page IconTo Next Page
To Next Page IconTo Next Page
To Previous Page IconTo Previous Page
To Previous Page IconTo Previous Page
Loading...
1-19
PDW-700/V1 (E)
HeadRoom
SW
0dB
X
Y
_1dB
Tp1
Tp2
Tp101
Tp201
AK-5383
24bit A/D
HeadRoom
SW
0dB
X
Y
_1dB
Tp3
Tp4
Tp301
Tp401
AK-5383
24bit A/D
Differential Amplifier
(Balanced/Unbalanced)
X
Y
AK-4382A
24bit D/A
SW
X
Y
X
Y
X
Y
X
Y
X
Y
ATT_17,_20,_24dB
AMP10dB,20dB,30dB
LINE IN : 4dBu
+0dBu
_3dBu
MIC IN : _40dBu
_50dBu
_60dBu
AES/EBU
MIC IN : _40dBu
_50dBu
_60dBu
XLR
5P
AMP
10dB/20dB/30dB
RS-422
Receiver
_3dB
LPF
I2S_Format
RX-101
Analog-Wireless
2ch Adapter
_40dBu 25Z
Digital-Wireless
Adapter
_40dBFS
AUDIO_FORMAT:
I2S
OR
OR
XLR REAR
XLR Front
0dB
ATT
0dB
_9dB
_12dB
CH2 : _15dBu
+4dB
0dB
_3dB
CA D12
CA D34
SRC
AES/EBU D12
AES/EBU D34
Digital WRR D12
Digital WRR D34
AU D12
AU D34
VAX
DE_MUX
ANA OUT D12
ANA OUT D34
Low Reso
4ch
REC
PB
DSP(120MHz)
TM320DA150GG120
DE_MUX
PB
Rec 4ch
32BIT x 4ch
EE
32BIT x 4ch
Digital OUT D12
Digital OUT D34
PB 4ch
PB 4ch
DE_MUX
I2C BUS
PCA9555 PCA9555
MB-1111
MB-1111
SW
NJM
368M
4dB
AXM-38
CNB-25
XLR 5P
OUT
AXM-38
FS
64FS
Digital WRR D12
Digital WRR D34
MA-162
+
SW
NJM
368M
NJM
368M
CH1
CH2
CH1
CH2
FRONT
HeadPhone
& MONITOR_SP
REAR
Stereo
HeadPhone
NJM
2172
VCA
_95dB
VR-Control
Audio System Control
FP CPU
HD64F2378
14dB
FP-157
PCA9564
AUDIO
SELECT
Control
Control
Control
Control
Control
Control
NJM
2172
VCA
_95dB
VR-Control
ALARM-TONE
HaedRoom
ATT
Ch2
Ch1
CN-3001
Control
Control
24bit_I2S
Left
Justified
24bit
Data Cnv.
SW
SW
NJM
2172
VCA
_95dB
ATT
15dB
ATT
15dB
SW
SW
ATT
15dB
ATT
17.5dB
ATT
33dB
_15dBu
HeadRoom
_12dB:ATT 8dB
_16dB:ATT 4dB
_18dB:ATT 2dB
_20dB:ATT 0dB
(Controled ATT of DAC)
_3dB
LPF
X
Y
0dB
CH1 : _15dBu
ATT
0dB
_9dB
_12dB
4dB
14dB
DVP-45
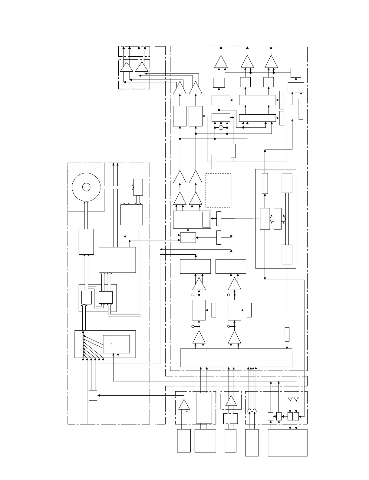
Audio Block Overview

Table of Contents

Related product manuals