EasyManua.ls Logo

Xilinx SelectIO 7 Series - Page 65

Xilinx SelectIO 7 Series
188 pages
Print Icon
To Next Page IconTo Next Page
To Next Page IconTo Next Page
To Previous Page IconTo Previous Page
To Previous Page IconTo Previous Page
Loading...
7 Series FPGAs SelectIO Resources User Guide www.xilinx.com 65
UG471 (v1.10) May 8, 2018
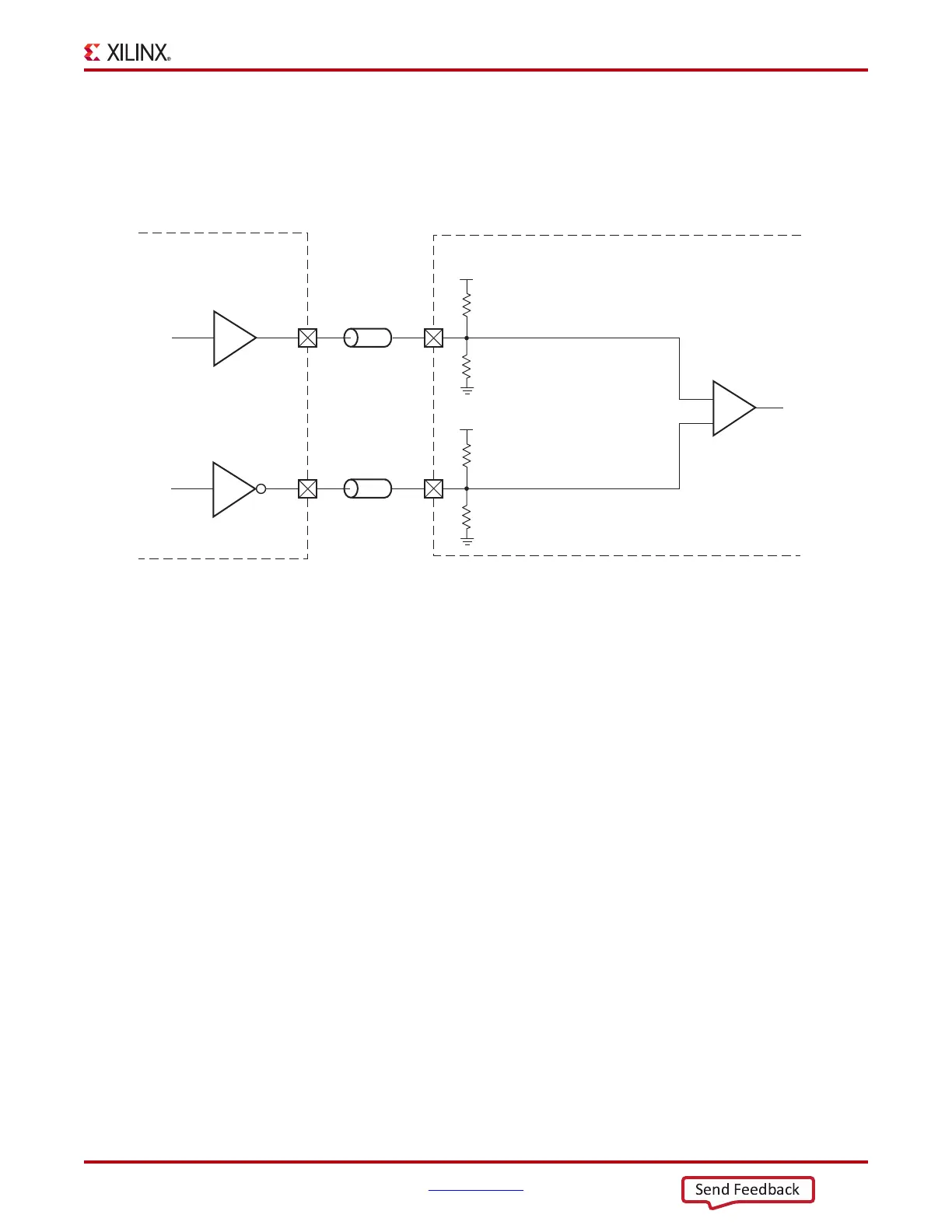
Supported I/O Standards and Terminations
Figure 1-48 shows a sample circuit illustrating a termination technique for differential
HSTL class-I (1.5V or 1.8V) with unidirectional DCI termination. In a specific circuit, all
drivers and receivers must be at the same voltage level (either 1.5V or 1.8V); they are not
interchangeable. Only HP I/O banks support these DCI standards.
X-Ref Target - Figure 1-48
Figure 1-48: Differential HSTL Class I (1.5V or 1.8V) DCI Unidirectional Termination
ug471_c1_38_021214
IOB
DIFF_HSTL_I_DCI
DIFF_HSTL_I_DCI_18
DIFF_HSTL_I_DCI
DIFF_HSTL_I_DCI_18
DIFF_HSTL_I_DCI
DIFF_HSTL_I_DCI_18
V
CCO
= 1.5V for DIFF_HSTL_I_DCI
1.8V for DIFF_HSTL_I_DCI_18
V
CCO
= 1.5V for DIFF_HSTL_I_DCI
1.8V for DIFF_HSTL_I_DCI_18
R
VRN
= 2Z
0
= 100Ω
R
VRP
= 2Z
0
= 100Ω
+
DCI
R
VRN
= 2Z
0
= 100Ω
R
VRP
= 2Z
0
= 100Ω
IOB
Z
0
Z
0
Send Feedback

Table of Contents

Related product manuals