EasyManua.ls Logo

Xilinx SelectIO 7 Series - SSTL18, SSTL15, SSTL135, or SSTL12 (T_DCI) Termination; HSUL_12 (High Speed Unterminated Logic); HSUL_12 and DIFF_HSUL_12

Xilinx SelectIO 7 Series
188 pages
Print Icon
To Next Page IconTo Next Page
To Next Page IconTo Next Page
To Previous Page IconTo Previous Page
To Previous Page IconTo Previous Page
Loading...
84 www.xilinx.com 7 Series FPGAs SelectIO Resources User Guide
UG471 (v1.10) May 8, 2018
Chapter 1: SelectIO Resources
SSTL18, SSTL15, SSTL135, or SSTL12 (T_DCI) Termination
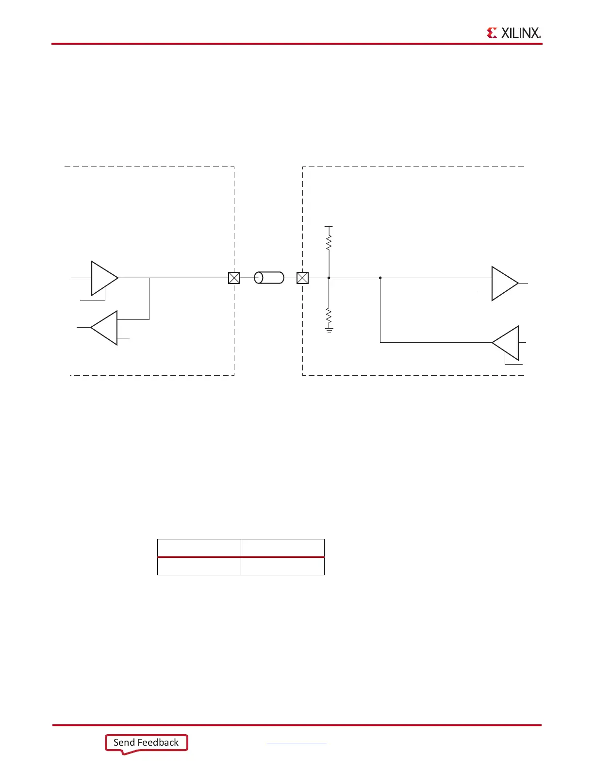
Figure 1-63 shows a sample circuit illustrating a termination technique for SSTL18,
SSTL15, SSTL135, or SSTL12 (T_DCI) with on-chip split-thevenin termination. In this
bidirectional I/O standard, when 3-stated, the internal split-termination is invoked on the
receiver and not on the driver.
HSUL_12 (High Speed Unterminated Logic)
The HSUL_12 standard is for LPDDR2 memory buses. HSUL_12 is defined by the JEDEC
standard JESD8-22. 7 series FPGAs support this standard for single-ended signaling and
differential signaling. Similar to SSTL, this standard also requires a differential amplifier
input buffer and a push-pull output buffer.
HSUL_12 and DIFF_HSUL_12
The differential (DIFF_) version uses complementary single-ended drivers for outputs and
differential receivers for inputs.
X-Ref Target - Figure 1-63
Figure 1-63: SSTL18, SSTL15, SSTL135, or SSTL12 (T_DCI) Termination
ug471_c1_53_021214
Z
0
IOB
IOB
1
0
SSTL18_II_T_DCI
SSTL15_T_DCI
SSTL135_T_DCI
SSTL12_T_DCI
SSTL18_II_T_DCI
SSTL15_T_DCI
SSTL135_T_DCI
SSTL12_T_DCI
V
CCO
=
1.8V for SSTL18_II_T_DCI
1.5V for SSTL15_T_DCI
1.35V for SSTL135_T_DCI
1.2V for SSTL12_T_DCI
R
VRN
=
2Z
0
= 100Ω
R
VRP
=
2Z
0
= 100Ω
V
REF
=
0.9V for SSTL18_II_T_DCI
0.75V for SSTL15_T_DCI
0.675V for SSTL135_T_DCI
0.6V for SSTL12_T_DCI
V
REF
=
0.9V for SSTL18_II_T_DCI
0.75V for SSTL15_T_DCI
0.675V for SSTL135_T_DCI
0.6V for SSTL12_T_DCI
+
DCI
Not 3-stated (T pin logic Low)
3-stated (T pin logic High)
Table 1-37: Available I/O Bank Type
HR HP
Available Available
Send Feedback

Table of Contents

Related product manuals